radiomuseum.org
Please click your language flag. Bitte Sprachflagge klicken.

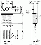
IRF540

Information - Help 
ID = 53165
       
Country:
United States of America (USA)
Brand: International Rectifier; Los Angeles
Tube type:  Transistor   Power-supply 
Identical to IRF540

Base Wires
Description Silicon n-channel power MOS-FET, Enhancement mode, 100 V, 28 A.

Text in other languages (may differ)
Dimensions (WHD)
incl. pins / tip
10 x 15 x 5 mm / 0.39 x 0.59 x 0.20 inch
Weight 2 g / 0.07 oz
Tube prices 1 Tube prices (visible for members only)
Information source - - -   
- - Manufacturers Literature   
- - -
- - -

to220_ttt_164.gif IRF540
Günther Stabe † 19.8.20

More ...
111.png
IRF540: International-Rectifier Datenblatt
Oskar Elm

More ...

Collection of

 
irf540.jpg

IRF540
 

You reach this tube or valve page from a search after clicking the "tubes" tab or by clicking a tube on a radio model page. You will find thousands of tubes or valves with interesting links. You even can look up radio models with a certain tube line up. [rmxtube-en]
  

Data Compliance More Information