radiomuseum.org
Please click your language flag. Bitte Sprachflagge klicken.

IRF640

Information - Help 
ID = 45465
       
Country:
United States of America (USA)
Brand: Fairchild Semiconductor Inc., South Portland/Maine
Tube type:  Transistor   Power-supply 
Identical to IRF640
Similar Tubes
Normally replaceable-slightly different:
  2SK2134
Different maximum ratings:
  IRF642

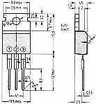
Base Wires
Description Silicon n-channel power MOS-FET, Enhancement mode, Avalanche-rugged, 200 V, 18 A.

Text in other languages (may differ)
Dimensions (WHD)
incl. pins / tip
10 x 15 x 5 mm / 0.39 x 0.59 x 0.20 inch
Weight 2 g / 0.07 oz
Information source - - Manufacturers Literature   Fairchild

irf630_umgeb1_2.gif
IRF640: Fairchild
Günther Stabe † 19.8.20

to220_ttt_19.gif IRF640: TTT Steidle 1981
Günther Stabe † 19.8.20

More ...
11.png
IRF640: International Rectifier
Oskar Elm

More ...

Collection of

 
irf640_redimensionner.jpg

IRF640
 

You reach this tube or valve page from a search after clicking the "tubes" tab or by clicking a tube on a radio model page. You will find thousands of tubes or valves with interesting links. You even can look up radio models with a certain tube line up. [rmxtube-en]
  

Data Compliance More Information