radiomuseum.org

IRFIBC30G

Information - Hilfe 
ID = 71810
       
Land:
USA
Marke: International Rectifier; Los Angeles
Typ:  Transistor   Stromversorgung 
Identisch mit IRFIBC30G

Sockel Drahtenden
Beschreibung

Material/Aufbau/Pol.: Silizium N-Kanal Power MOS-FET, Enhancement mode;
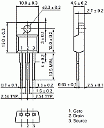
Form/Case/Outline: TO-220-Iso Anschlussfolge GDS;
Daten/electr.data: Vd: 600 V; Id: 2.5 A (pulsed: 10 A); Vgs: +/- 20 V; Vgs(th): 2...4 V; Idss: <100 µA; Igss: <0.1 µA; Pd: 35 W; Rds(on): <2.2 Ω; td(on): 11 ns; tmax j: 150 °C.
-

 
Text in anderer Sprache (evtl. verschieden)
Abmessungen (BHT)
inkl. Stifte/Spitzli
10 x 16 x 5 mm / 0.39 x 0.63 x 0.20 inch
Gewicht 2 g / 0.07 oz
Literatur - - Manufacturers Literature   

to_220_iso_gds~~13.png IRFIBC30G: IR
Günther Stabe † 19.8.20

Sammlung von

 
irfibc30g.jpg

 

[rmxtube-ge, noindex]
  

Datenkonformität Mehr Informationen