radiomuseum.org

IRGP30B120KD-E

Information - Help 
ID = 53494
       
Country:
United States of America (USA)
Brand: International Rectifier; Los Angeles
Tube type:  Transistor   Power-supply 
Identical to IRGP30B120KD-E

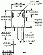
Base Wires
Description Insulated Gate Bipolar Transistor Silicon N-Channel IGBT with Ultrafast Soft Recovery Diode ntended as high power switch or motor control.

Text in other languages (may differ)
Dimensions (WHD)
incl. pins / tip
16 x 20 x 5 mm / 0.63 x 0.79 x 0.20 inch
Weight 2 g / 0.07 oz
Information source - - -   
- - Manufacturers Literature   
- - -
- - -

irgp30b120kd-e_umgeb1.png
IRGP30B120KD-E: IR
Günther Stabe † 19.8.20

to-247_8.gif IRGP30B120KD-E: IR
Günther Stabe † 19.8.20

igbt_n_d_symbol.png
IRGP30B120KD-E: IR
Günther Stabe † 19.8.20

Collection of

 
irgp30b120kd-e.jpg

 

You reach this tube or valve page from a search after clicking the "tubes" tab or by clicking a tube on a radio model page. You will find thousands of tubes or valves with interesting links. You even can look up radio models with a certain tube line up. [rmxtube-en]
  

Data Compliance More Information