radiomuseum.org

IRL3705

Information - Hilfe 
ID = 45528
       
Land:
USA
Marke: International Rectifier; Los Angeles
Typ:  Transistor   Universal 
Identisch mit IRL3705

Sockel Drahtenden
Beschreibung

Material/Aufbau: Silizium N-Kanal Power MOS-FET, Enhancement Mode, fully Avalanche rated;
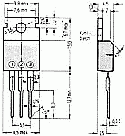
Form/Case/Outline: TO-220 (IRL3705Z) | TO-263 | D²PAK Anschlussfolge GDS;
Daten/electr.data: Vdss: 55 V; Id: 75 A; Rds(on): 0.008 Ω; Pd: 170 W; tmax j: 175 °C.
Variante: IRL3705N = Id: 89 A; Rds(on): 0.12 Ω;
Schneller Schalter
-

 
Text in anderer Sprache (evtl. verschieden)
Abmessungen (BHT)
inkl. Stifte/Spitzli
10 x 15 x 4 mm / 0.39 x 0.59 x 0.16 inch
Gewicht 2 g / 0.07 oz
Literatur - - Manufacturers Literature   IR / Infineon

irl3705n_umgeb1.gif
IRL3705: IR
Günther Stabe † 19.8.20

to220_ttt_26.gif IRL3705: TTT Steidle 1981
Günther Stabe † 19.8.20

irl3705n_innen.png
IRL3705: IR
Günther Stabe † 19.8.20

Sammlung von

 
irl3705n_a.jpg

IRL3705
 

[rmxtube-ge, noindex]
  

Datenkonformität Mehr Informationen