grundig: 1041 W/USA; Majestic
? grundig: 1041 W/USA; Majestic

Hi:
I am new to the forum. I was very impressed that I received a confirmation letter from Switzerland in a few days. I live in Princeton, NJ USA.
I need scematics for Grundig Majextic 1041. I just bought a set from Ebay. The Fm works OK but the rest is very weak.
Thanks
M Khan
To thank the Author because you find the post helpful or well done.
Valve / Tune Line up
Can you confirm the valve/ tube line up and that it has 2 x EF89 and not ECH81 and EF89 or ECH81 & 2 x EF89?
Weak AM but good FM suggests
1) Poor Frequency Converter (ECH81 usually)
2) Damaged Ferrite rod if fitted
3) lack of external aerial if no loop aerial or ferrite rod.
Note that "Ferrite Rod" aerials are often not very sensitive compared to tuned loop aerials.
Try 3m of wire on the Aerial socket.
Don't try to adjust the IF transformers. Unless there is no signal due to a corroded wire they are rarely the problem.
To thank the Author because you find the post helpful or well done.
Thank you

Mr Watterson:
Thank you for the info. I will try to change the tube first and look into the antenna.
M Khan
To thank the Author because you find the post helpful or well done.
Diagram sources

Dear Mujahid,
you can use the diagram of similar models, as the 1041W, that should differ just for the FM tuning range. Since all the RF/IF stages are in common for both AM and FM, you should check in the order:
- the EABC80 for a defective diode
- the alignment of AM IF tuned circuits. Sometimes a styroflex capacitor may be open.
- the keyboard contacts. Clean them with a contact cleaner, Deoxit or similar.
Regards,
Emilio
To thank the Author because you find the post helpful or well done.
1041 W/USA; Majestic

Thank you so much. I will save a lot of headache and searching. Sams photofact does not have the schematic..
Sincerely,
M Khan
To thank the Author because you find the post helpful or well done.
EABC80?
EABC80 for a defective diode?
Is that at all common? I have no opinion. I'm curious.
Looking at the other schematic I see there is no separate Mixer/osc like ECH81 for AM, it appears to use the EF89. I'd not seen that before. Interesting.
So Emilio is correct the only tube (however rare or common) it can be is the EABC80. If you don't have a replacement, you can try a 1N4148 across the tube tags from pin 6 and ring end of diode to pin 7.
But I'd try cleaning switches as Emilio suggests and an 2m to 3m piece of wire (even twin flex with end tied together) as aerial.
Where I live there is almost no AM-MW reception during daytime, only weak on the very best radio sets. But one strong LW station and weak UK & French LW. Plenty of AM-MW at night.
Most of the older sets need at least 2m of wire aerial assistance on MW/LW.
To thank the Author because you find the post helpful or well done.
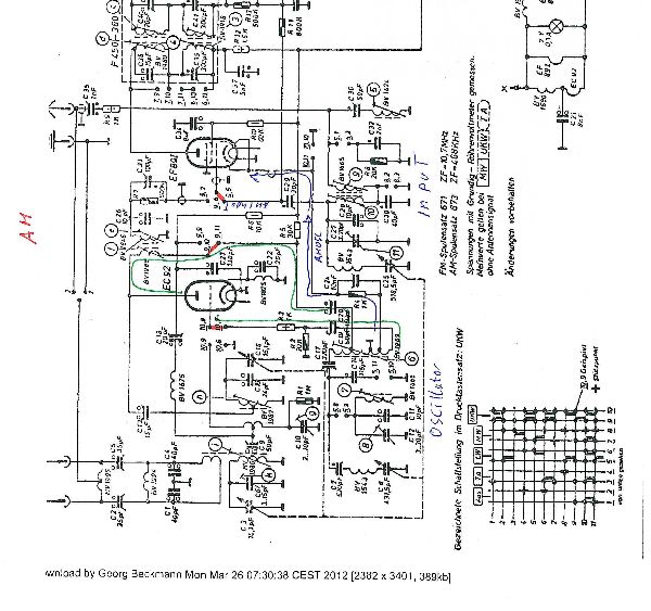
AM oscillator circuit

Hi Michael,
enclosed the circuit in AM position. The EC 92 is used for the AM oscillator.
Red: switch position in AM.
Green: oscillator path.
Blue: Path of input and oscillator signal to mixer.
To confuse the competitors, The AM input circuit is drawn to the right and
the oscillator circuit to the left. :-)
Georg Beckmann
To thank the Author because you find the post helpful or well done.
grundig: 1041 W/USA; Majestic
Hello Mujahid,
If your Grundig 1041 still has its original tubular capacitors I should replace them first before suspecting worn out valves being the cause of poor gain on AM. Take one out and test it and you may well find that it is leaky. This model will benefit from an external aerial for AM as it doesn't appear to have an internal ferrite rod aerial.
I have just replaced all the capacitors in a 1956 Grundig 3028 Marlborough which was working OKish on FM but had poor gain on AM and after replacement of its tubular capacitors and AM realignment the radio now works perfectly, there was nothing wrong with its valves apart from a dim magic eye. I did the same to a Grundig 965WE AM set in the same cabinet as the 1041 with similar results.
Regards .......... Howard
Surrey Hills, Emgland
To thank the Author because you find the post helpful or well done.