philips: 17TD120U; Krefeld 4320, Ablenkeinheit
? philips: 17TD120U; Krefeld 4320, Ablenkeinheit

Hallo an die TV Spezialisten,
folgendes Problem habe ich mit dem Gerät:
Wenn der Stecker der Ablenkeinheit abgezogen, und die Brücke auf der Gegenbuchste drin ist, habe ich muntere 14KV Hochspannung. Stecke ich den Stecker auf, bricht die Hochspannung zusammen. (Mit oder ohne der o.g. Brücke.
Meine Frage wäre nun: Was muss ich an ohmischem Widerstand an den Spulen messen können?
Aktuell habe ich 7 Ohm an H-G und 11 Ohm an E-F.
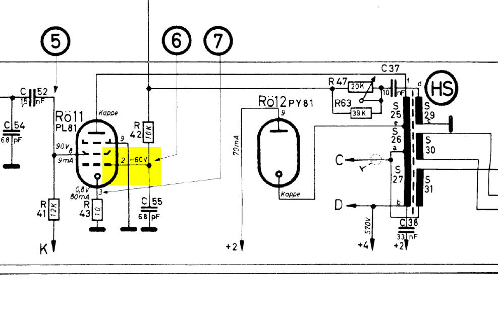
Planauszug siehe Anlage.
Vielen Dank schon mal für jede Hilfe.
Beste Grüße,
Jochen
Anlagen:- Krefeld (34 KB)
Für diesen Post bedanken, weil hilfreich und/oder fachlich fundiert.
Windungsschluss wahrscheinlich

Hallo Herr Amend.
Mit einer Messung des Gleichstromwiderstandes kommen Sie nicht zum Ziel.
Das Joch arbeitet mit seinem induktiven Widerstand, der ohmsche Anteil spielt nur eine untergeordnete Rolle.
Ein Netztrafo hat auch 10 bis 20Ohm ohmisch und trotzdem liegt er an 220Volt 50Hz.
Es ist das XL oder die Gegeninduktiviät die bei AC den Strom bestimmt.
Der Hinlauf beim TV liegt; bis zu Abschaltung und Rücklauf, zwischen 5000 und 8000 Hz. 100mH+10Ohm haben bei 5Khz ein XL von 3410Ohm.
Haben eine oder 2-3 Windungen einen gegenseitigen Schluss (Windungsschluss) geht das XL gegen NULL
Das laesst das Horizontal-Kippteil zusammenbrechen.
Fragen Sie doch H. Niermann hier im Forum an, der ist doch versiert in TV.
Gruss Knoll
Für diesen Post bedanken, weil hilfreich und/oder fachlich fundiert.
Danke!

Hallo Herr Knoll,
vielen Dank! Herr Niermann hat mich kontaktiert! Ich habe sehr Gute Hinweise erhalten. Sollte ich den Fehler finden, werde ich ihn dann hier beschreiben.
Beste Grüße,
Jochen
Für diesen Post bedanken, weil hilfreich und/oder fachlich fundiert.
Ablenkeinheit

Sg. Herr Amend,
habe Ihnen schon am 15. Jänner per Mail geschrieben:
Vorab, ziehen Sie den Stecker der Bildröhrenfassung und überbrücken die Heizungskontakte, damit das Gerät weiter funktioniert.
Nicht wieder an die Bildröhre anstecken.!!!
Ein Betrieb der Bildröhre ohne angeschlossene Ablenkeinheit erzeugt einen grellen, weißen Punkt in der Bildschirmmitte, der sich in Sekunden für immer einbrennt, weil dort die Leuchtschichte sofort zerstört wird.
Die Gleichstrom-Werte der Ablenkeinheit dürften stimmen.
Aber die Ablenkeinheit kann einen Schluß der Spule haben.
Das kann messbar sein oder auch nicht.
Sie können aber den Kontakt G oder H am Stecker ablöten und schauen, was dann passiert.
Wenn Sie dann Hochspannung haben, ist die Ablenkeinheit defekt.
MfG. WB.
Für diesen Post bedanken, weil hilfreich und/oder fachlich fundiert.
Übersehen....

Hallo Herr Bauer,
sorry... die Mail von Ihnen hatte ich übersehen :-) Entschuldigung!
Vielen Dank dafür. Am Dienstag werde ich wieder an das Gerät gehen.
Beste Grüße,
Jochen
Für diesen Post bedanken, weil hilfreich und/oder fachlich fundiert.
Mail von Herrn Niermann

Hallo Herr Amend,
ich habe Ihre Frage im Forum gelesen. Gern würde ich Ihnen auch
weiterhelfen, das ist aber aus der Ferne nicht ganz so einfach.
Wo fange ich an?
Haben Sie alle verdächtigen Kondensatoren getauscht (C53, C37, C38)?
Betreiben Sie den Fernseher mit oder ohne Signalquelle?
Dieser Fernseher hat, wenn ich das richtig sehe, einen selbst
schwingende Zeilenendstufe. Schwingt diese denn mit der richtigen
Frequenz? Die Zeilenendstufe ohne Ablenkeinheit zu betreiben ist nicht
gut, ohne Ablenkeinheit wird die Frequenz bestimmt nicht stimmen.
Sind die Röhren PL81 und PY81 auch wirklich gut? Am besten in einem
anderen Fernseher ausprobieren, oder versuchsweise neue verwenden.
Das die Ablenkeinheit kaputt ist kann natürlich sein, das möchte ich
aber nicht glauben.
Haben sie ein gutes RCL-Meter? Wenn ja könnte sie die Induktivität der
Ablenkeinheit mit einer funktionierenden aus einem ähnlichen Gerät
vergleichen. Zu mindestens die Größenordnung sollte stimmen.
Viel Erfolg bei der Reparatur und viele Grüße aus Waltrop,
Michael Niermann
Für diesen Post bedanken, weil hilfreich und/oder fachlich fundiert.
Fazit

Vielen Dank erst mal für die Mithilfe.
Die genannten Kondensatoren und Röhren sind geprüft und okay.
Mittlerweile ist die Hochspannung auch komplett weg. Es ist mit großer Wahrscheinlichkeit der Grundwickel des Zeilentrafos, der Schluss hat. Leider verloren...
An der PL81 Gitter fehlen die minus 60V gänzlich. Nach meiner Sicht schwingt hier das Gebilde Zeilenendstufe nicht.
Beste Grüße,
Jochen
- PL81 (75 KB)
Für diesen Post bedanken, weil hilfreich und/oder fachlich fundiert.
philips: 17TD120U

Sg. Herr Amend,
wenn die -60 Volt am g1/PL81 fehlen, schwingt wahrscheinlich der Zeilenoszillator nicht, oder es fehlen die Versorgungsspannungen g2/a der PL81.
Vorsicht Hochspannung an der Anode PL81.
MfG. WB.
Für diesen Post bedanken, weil hilfreich und/oder fachlich fundiert.
Zeilentrafo

Hallo Herr Bauer und liebe Mitleser,
ich werde mal Umschau nach einem passenden Zeilentrafo halten. So lange stelle ich das Gerät trocken und warm zur Seite. Vielleicht hilft Kommissar Zufall mit einem neuen ZT. :-)
Beste Grüße und DANKE!!!,
Jochen
Für diesen Post bedanken, weil hilfreich und/oder fachlich fundiert.