19A15S Ch= 19A1
Admiral (brand) Continental Radio & Television Co.; Chicago, IL
- Produttore / Marca
- Admiral (brand) Continental Radio & Television Co.; Chicago, IL
- Anno
- 1949
- Categoria
- Televisore (TV) / Monitor
- Radiomuseum.org ID
- 97393
-
- alternative name: Continental Radio & TV
Clicca sulla miniatura dello schema per richiederlo come documento gratuito.
- Numero di tubi
- 18
- Valvole
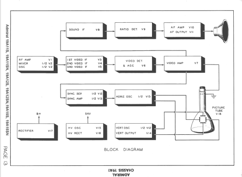
- 6AG5 6J6 6AU6 6AU6 6AU6 6AL5 6AU6 6AU6 6AL5 6SQ7 6AS5 6SN7GT 6SN7GT 6SL7GT 6V6GT 1B3GT 5Y3GT 7JP4
- Principio generale
- Supereterodina (in generale)
- Gamme d'onda
- Gamme d'onda nelle note.
- Tensioni di funzionamento
- Alimentazione a corrente alternata (CA) / 117 Volt
- Altoparlante
- AP magnetodinamico (magnete permanente e bobina mobile)
- Materiali
- Mobile in legno
- Radiomuseum.org
- Modello: 19A15S Ch= 19A1 - Admiral brand Continental
- Forma
- Soprammobile basso, con andamento orizzontale (grosse dimensioni).
- Annotazioni
-
Admiral 19A15S, 7" TV set with 12 channel US Tuner, Channel 2 through 13.
- 19A11 Plastic Mahagony
- 19A12 Plastik Ebony
- 19A15 Wood WalnutRectifier 5Y3GT (V17) can be replaced by a 5U4G.
- Bibliografia
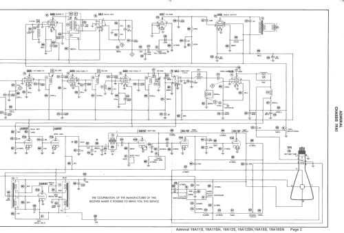
- Photofact Folder, Howard W. SAMS (497-2 Set 59 Folder 2)
- Autore
- Modello inviato da un iscritto da A. Utilizzare "Proponi modifica" per inviare ulteriori dati.
- Altri modelli
-
In questo link sono elencati 3229 modelli, di cui 1333 con immagini e 2599 con schemi.
Elenco delle radio e altri apparecchi della Admiral (brand) Continental Radio & Television Co.; Chicago, IL