- Produttore / Marca
- Admiral (brand) Continental Radio & Television Co.; Chicago, IL
- Anno
- 1951 ?
- Categoria
- Televisore (TV) / Monitor
- Radiomuseum.org ID
- 345495
-
- alternative name: Continental Radio & TV
Clicca sulla miniatura dello schema per richiederlo come documento gratuito.
- Numero di tubi
- 21
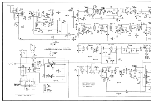
- Valvole
- 6CB6 or 6BC5 or 6AG5 6J6 6AU6 6AG5 or 6AU6 or 6CB6 or 6BC5 6AG5 or 6AU6 or 6CB6 or 6BC5 6AL5 6AC7 6AU6 6AL5 6AV6 or 6SQ7 6V6GT 6SN7GT or 12AU7 6SN7GT 6S4 6AL5 or 6H6 or 12H6 6SN7GT 6BQ6GT 6W4GT 1B3GT 5U4G 17CP4
- Principio generale
- Supereterodina con stadio RF
- Gamme d'onda
- Gamme d'onda nelle note.
- Tensioni di funzionamento
- Alimentazione a corrente alternata (CA) / 60 Hz, 117V = 110 -120 Volt
- Altoparlante
- AP magnetodinamico (magnete permanente e bobina mobile)
- Radiomuseum.org
- Modello: 27K16 Ch= 21P1 - Admiral brand Continental
- Annotazioni
-
Admiral model 27K16 is a 17” b/w TV with US standard VHF tuner channels 2 thru 13.
Equipped with chassis 21P1, VHF tuner 94C18-4 and picture tube 17CP4.
- Letteratura / Schemi (1)
- Photofact Folder, Howard W. SAMS (Set 127 Folder 1A dated 51)
- Letteratura / Schemi (2)
- Photofact Folder, Howard W. SAMS (Set 135, folder 2, dated 6-51)
- Letteratura / Schemi (3)
- Photofact Folder, Howard W. SAMS (Set 156, folder 2, dated 1-52)
- Letteratura / Schemi (4)
- Photofact Folder, Howard W. SAMS (Set 180, folder 1, dated 9-52)
- Autore
- Modello inviato da Dirk Taekels. Utilizzare "Proponi modifica" per inviare ulteriori dati.
- Altri modelli
-
In questo link sono elencati 3227 modelli, di cui 1332 con immagini e 2597 con schemi.
Elenco delle radio e altri apparecchi della Admiral (brand) Continental Radio & Television Co.; Chicago, IL