36X36 CH= 24E1 + 5B2
Admiral (brand) Continental Radio & Television Co.; Chicago, IL
- País
- Estados Unidos
- Fabricante / Marca
- Admiral (brand) Continental Radio & Television Co.; Chicago, IL
- Año
- 1950/1951
- Categoría
- Televisión con radio y/o grabadora.
- Radiomuseum.org ID
- 206878
-
- alternative name: Continental Radio & TV
Haga clic en la miniatura esquemática para solicitarlo como documento gratuito.
- Numero de valvulas
- 29
- Válvulas
- 12AT7 6BA6 6BA6 6AL5 6AU6 6AG5 6J6 6AU6 6AU6 6AL5 6SQ7 6V6GT 6AU6 6AU6 6AG5 6AL5 6AU6 6AC7 6SN7GT 6S4 12AU7 6AL5 6SN7GT 6CD6G 1B3GT 6W4 5U4G 6AX5 16GP4
- Principio principal
- Superheterodino en general
- Especialidades
- Tocadiscos-autom o no-no sabemos
- Tensión de funcionamiento
- Red: Corriente alterna (CA, Inglés = AC) / 60 Hz, 117V = 110 -120 Volt
- Altavoz
- Altavoz dinámico (de imán permanente)
- Material
- Madera
- de Radiomuseum.org
- Modelo: 36X36 CH= 24E1 + 5B2 - Admiral brand Continental
- Forma
- Consola en general
- Anotaciones
-
Built-in Roto-Scope antenna. 150 sq. in. full-vision screen. Dynamagic FM-AM radio and "Triple Play" phonograph. Hand-rubbed mahogany cabinet. Record storage. Also in walnut and blonde.
Radio chassis (AM-FM) = 5B2.
Record changer = RC 500 or RC 550.
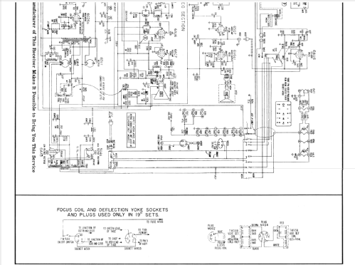
Picture tube = 16GP4
- Ext. procedencia de los datos
- Admiral flier "New" for 1951.
- Documentación / Esquemas (1)
- Photofact Folder, Howard W. SAMS (Set 91A Folder 2 1950)
- Documentación / Esquemas (2)
- Photofact Folder, Howard W. SAMS (Set 114, Folder 1 dated 11-50)
- Autor
- Modelo creado por Ernst Erb. Ver en "Modificar Ficha" los participantes posteriores.
- Otros modelos
-
Donde encontrará 3229 modelos, 1333 con imágenes y 2599 con esquemas.
Ir al listado general de Admiral (brand) Continental Radio & Television Co.; Chicago, IL