- Pays
- Etats-Unis
- Fabricant / Marque
- Admiral (brand) Continental Radio & Television Co.; Chicago, IL
- Année
- 1950 ?
- Catégorie
- Récepteur de télévision ou moniteur
- Radiomuseum.org ID
- 341586
-
- alternative name: Continental Radio & TV
Cliquez sur la vignette du schéma pour le demander en tant que document gratuit.
- No. de tubes
- 26
- Lampes / Tubes
- 6BC5 or 6CB6 or 6AG5 6J6 6AU6 or 6AG5 6AU6 or 6AG5 6AU6 or 6AG5 6AL5 6AC7 6AU6 6AL5 6AV6 or 6SQ7 6V6GT 12AU7 or 6SN7GT 6SN7GT 6S4 or 6SN7 6AL5 or 6H6 6SN7GT 6BQ6GT 6W4GT 1B3GT 5U4G 12AT7 6BA6 6BA6 6AL5 6AU6 16RP4 or 16TP4
- Principe général
- Super hétérodyne avec étage HF
- Gammes d'ondes
- Bandes en notes
- Tension / type courant
- Alimentation Courant Alternatif (CA) / 60 Hz, 117V = 110 -120 Volt
- Haut-parleur
- HP dynamique à aimant permanent + bobine mobile
- Matière
- Boitier en bois
- De Radiomuseum.org
- Modèle: 39X37 Ch= 21J1 - Admiral brand Continental
- Forme
- Console avec pieds bas < 50% de la hauteur
- Remarques
-
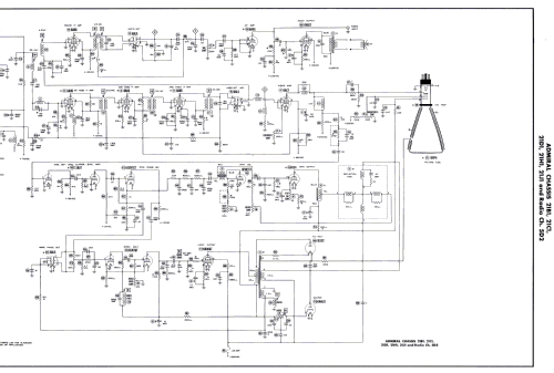
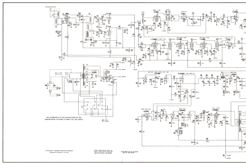
Admiral model 39X37 is a 21” b/w TV with US standard VHF tuner channels 2 thru 13.
Equipped with chassis 21J1, radio chassis 3C1, a VHF tuner and and picture tube 16RP4 or 16TP4.
- Schémathèque (1)
- Photofact Folder, Howard W. SAMS (Set 118, Folder 2 dated 12-50)
- Schémathèque (2)
- Photofact Folder, Howard W. SAMS (Set 144, folder 1, dated 9-51)
- Auteur
- Modèle crée par Dirk Taekels. Voir les propositions de modification pour les contributeurs supplémentaires.
- D'autres Modèles
-
Vous pourrez trouver sous ce lien 3229 modèles d'appareils, 1333 avec des images et 2599 avec des schémas.
Tous les appareils de Admiral (brand) Continental Radio & Television Co.; Chicago, IL