2-16GW (216GW)
AEG (Radios) Allg.Elektricitäts-Ges.
- Paese
- Germania
- Produttore / Marca
- AEG (Radios) Allg.Elektricitäts-Ges.
- Anno
- 1936/1937
- Categoria
- Radio (o sintonizzatore del dopoguerra WW2)
- Radiomuseum.org ID
- 156
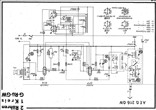
Clicca sulla miniatura dello schema per richiederlo come documento gratuito.
- Numero di tubi
- 3
- Principio generale
- A reazione (con rigenerazione); 1 Stadi BF
- N. di circuiti accordati
- 1 Circuiti Mod. Amp. (AM)
- Gamme d'onda
- Onde medie (OM) e onde lunghe (OL).
- Tensioni di funzionamento
- Alimentazione universale (doppia: CC/CA) / 110/220 Volt
- Altoparlante
- AP elettrodinamico (bobina mobile e bobina di eccitazione/di campo)
- Materiali
- Mobile in legno
- Radiomuseum.org
- Modello: 2-16GW - AEG Radios Allg.Elektricitäts-
- Forma
- Soprammobile basso, con andamento orizzontale (grosse dimensioni).
- Dimensioni (LxAxP)
- 535 x 300 x 220 mm / 21.1 x 11.8 x 8.7 inch
- Peso netto
- 12.5 kg / 27 lb 8.5 oz (27.533 lb)
- Prezzo nel primo anno
- 179.00 RM
- Fonte dei dati
- Radio-Zentrale Prohaska 1936/37 / Radiokatalog Band 1, Ernst Erb
- Riferimenti schemi
- Lange+Schenk+FS-Röhrenbestückung
- Altri modelli
-
In questo link sono elencati 847 modelli, di cui 737 con immagini e 421 con schemi.
Elenco delle radio e altri apparecchi della AEG (Radios) Allg.Elektricitäts-Ges.