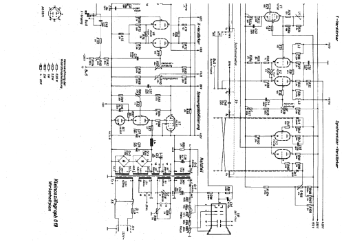
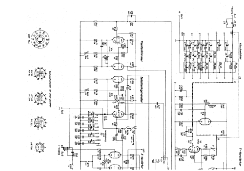
Oszillograph, Oszilloskop O19
AEG (Radios) Allg.Elektricitäts-Ges.
- Pays
- Allemagne
- Fabricant / Marque
- AEG (Radios) Allg.Elektricitäts-Ges.
- Année
- 1959/1960
- Catégorie
- Appareils de mesure et de dépannage (matériel de labo)
- Radiomuseum.org ID
- 109664
Cliquez sur la vignette du schéma pour le demander en tant que document gratuit.
- No. de tubes
- 8
- Gammes d'ondes
- - sans
- Tension / type courant
- Alimentation Courant Alternatif (CA) / 220 Volt
- Haut-parleur
- - - Pas de sortie basse fréquence
- Matière
- Boitier métallique
- De Radiomuseum.org
- Modèle: Oszillograph, Oszilloskop O19 - AEG Radios Allg.Elektricitäts-
- Forme
- Modèle de table générique
- Dimensions (LHP)
- 135 x 240 x 350 mm / 5.3 x 9.4 x 13.8 inch
- Remarques
-
4-MHz-Oszillograph, ähnlich dem Elograph U211.
- Poids net
- 8 kg / 17 lb 9.9 oz (17.621 lb)
- Prix de mise sur le marché
- 985.00 DM
- Littérature
- - - Manufacturers Literature (AEG-Preisliste 1959/60)
- D'autres Modèles
-
Vous pourrez trouver sous ce lien 847 modèles d'appareils, 737 avec des images et 421 avec des schémas.
Tous les appareils de AEG (Radios) Allg.Elektricitäts-Ges.
Collections
Le modèle Oszillograph, Oszilloskop fait partie des collections des membres suivants.
Musées
Le modèle Oszillograph, Oszilloskop peut être vu dans les musées suivants.