- Country
- United States of America (USA)
- Manufacturer / Brand
- Air King Products Co.; Brooklyn (NY)
- Year
- 1938 ?
- Category
- Broadcast Receiver - or past WW2 Tuner
- Radiomuseum.org ID
- 31531
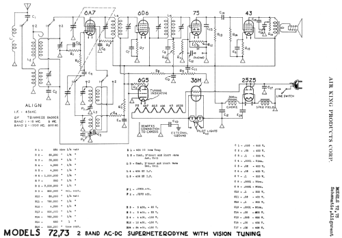
Click on the schematic thumbnail to request the schematic as a free document.
- Number of Tubes
- 6
- Number of Transistors
- Semiconductors
- 36H
- Main principle
- Superheterodyne (common); ZF/IF 456 kHz
- Tuned circuits
- 6 AM circuit(s)
- Wave bands
- Broadcast and Short Wave (SW).
- Power type and voltage
- AC/DC-set / 110 Volt
- Loudspeaker
- Electro Magnetic Dynamic LS (moving-coil with field excitation coil)
- Material
- Wooden case
- from Radiomuseum.org
- Model: 72 - Air King Products Co.;
- Shape
- Tablemodel, with any shape - general.
- External source of data
- Ernst Erb
- Circuit diagram reference
- Rider's Perpetual, Volume 8 = 1937 and before
- Mentioned in
- Machine Age to Jet Age II
- Other Models
-
Here you find 293 models, 147 with images and 240 with schematics for wireless sets etc. In French: TSF for Télégraphie sans fil.
All listed radios etc. from Air King Products Co.; Brooklyn (NY)