570 Ch= 530
Airzone (1931) Ltd.; Sydney
- Land
- Australien
- Hersteller / Marke
- Airzone (1931) Ltd.; Sydney
- Jahr
- 1937
- Kategorie
- Rundfunkempfänger (Radio - oder Tuner nach WW2)
- Radiomuseum.org ID
- 166419
Klicken Sie auf den Schaltplanausschnitt, um diesen kostenlos als Dokument anzufordern.
- Anzahl Röhren
- 5
- Hauptprinzip
- Superhet allgemein; ZF/IF 456 kHz; 2 NF-Stufe(n)
- Anzahl Kreise
- 6 Kreis(e) AM
- Wellenbereiche
- Mittelwelle, keine anderen.
- Betriebsart / Volt
- Wechselstromspeisung / 200-250 Volt
- Lautsprecher
- Dynamischer LS, mit Erregerspule (elektrodynamisch) / Ø 8 inch = 20.3 cm
- Material
- Gerät mit Holzgehäuse
- von Radiomuseum.org
- Modell: 570 Ch= 530 - Airzone 1931 Ltd.; Sydney
- Form
- Standgerät auf niedrigen Beinen (Beine < 50 % der Gesamthöhe).
- Bemerkung
-
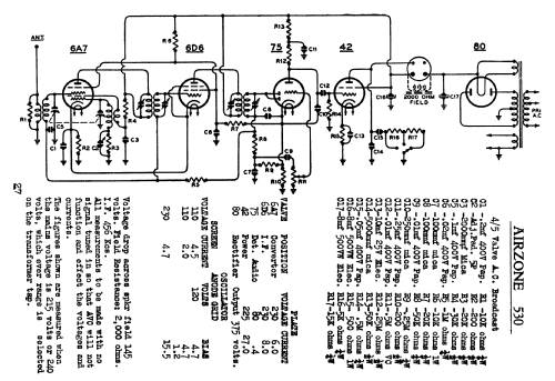
Airzone model "570" is a five-valve broadcast reception console using chassis type "530" and arranged for operation from 200-250 volt A.C. mains. Three controls are fitted, these being for volume, tuning and tone (three positions). This model was introduced late in 1937 and uses an 8-inch, 2,000 ohms field loudspeaker.
The circuit arrangement of this receiver is fairly straightforward, and should present no particular difficulty. Attention should be paid, however, to the use of the oscillator padding condenser (C2) for oscillator grid blocking instead of the conventional grid condenser on the "hot" side of the coil - note also that the oscillator grid resistor (R3) is shunted directly across C2 instead of being wired between the grid and earth. Other points to note are the low value (0.002 mfd (μF)) of the oscillator plate by-pass condenser (C3), and the use of the 75 cathode resistor (R10) as part of the screen voltage divider network. (RADIO TECHNICIAN)
- Originalpreis
- 19.95 AUS £
- Schaltungsnachweis
- Australian Official Radio Service Manual Vol. I I
- Literatur/Schema (1)
- Radio Technician (October 1939, Page 107.)
- Literatur/Schema (2)
- Australian Official Radio Service Manual AORSM (Volume 2, 1939, Page 27 (shown as 530 (chassis type)).)
- Autor
- Modellseite von Stuart Irwin angelegt. Siehe bei "Änderungsvorschlag" für weitere Mitarbeit.
- Weitere Modelle
-
Hier finden Sie 283 Modelle, davon 134 mit Bildern und 154 mit Schaltbildern.
Alle gelisteten Radios usw. von Airzone (1931) Ltd.; Sydney