- País
- Suiza
- Fabricante / Marca
- Albis, Albiswerke AG (Siemens Switzerland AG / Telefunken Zürich AG / Siemens-Albis); Albisrieden
- Año
- 1940/1941
- Categoría
- Radio - o Sintonizador pasado WW2
- Radiomuseum.org ID
- 11168
Haga clic en la miniatura esquemática para solicitarlo como documento gratuito.
- Numero de valvulas
- 4
- Principio principal
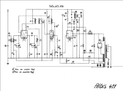
- Superheterodino en general; ZF/IF 471 kHz
- Número de circuitos sintonía
- 5 Circuíto(s) AM
- Gama de ondas
- OM (onda media) solamente
- Tensión de funcionamiento
- Red: Corriente alterna (CA, Inglés = AC)
- Altavoz
- Altavoz dinámico. Se desconoce si a imán permanente o electroimán.
- Material
- Bakelita
- de Radiomuseum.org
- Modelo: 411 - Albis, Albiswerke AG Siemens
- Ancho, altura, profundidad
- 490 x 218 x 292 mm / 19.3 x 8.6 x 11.5 inch
- Precio durante el primer año
- 225.00 SFr
- Ext. procedencia de los datos
- E. Erb 3-907007-36-0
- Procedencia de los datos
- Radiokatalog Band 2, Ernst Erb
- Referencia esquema
- Thali-Schemasammlung und Tungsram-Röhrenbestückung.
- Referencia ilustración
- Das Modell ist im «Radiokatalog» (Erb) abgebildet.
- Otros modelos
-
Donde encontrará 176 modelos, 152 con imágenes y 146 con esquemas.
Ir al listado general de Albis, Albiswerke AG (Siemens Switzerland AG / Telefunken Zürich AG / Siemens-Albis); Albisrieden