- Hersteller / Marke
- Albis, Albiswerke AG (Siemens Switzerland AG / Telefunken Zürich AG / Siemens-Albis); Albisrieden
- Jahr
- 1951/1952
- Kategorie
- Rundfunkempfänger (Radio - oder Tuner nach WW2)
- Radiomuseum.org ID
- 11259
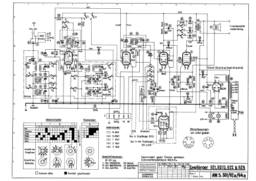
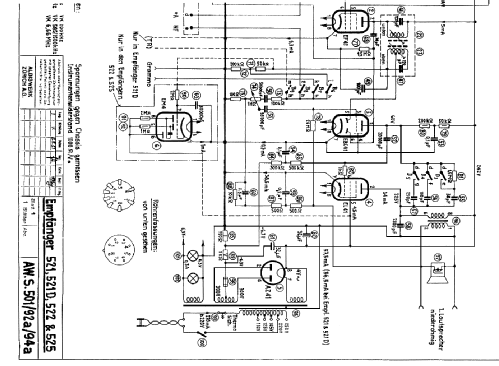
Klicken Sie auf den Schaltplanausschnitt, um diesen kostenlos als Dokument anzufordern.
- Anzahl Röhren
- 6
- Hauptprinzip
- Superhet allgemein; ZF/IF 471 kHz
- Anzahl Kreise
- 6 Kreis(e) AM
- Wellenbereiche
- Langwelle, Mittelwelle und Kurzwelle.
- Spezialitäten
- Plattenspieler (oder Wechsler)
- Betriebsart / Volt
- Wechselstromspeisung / 110-250 Volt
- Lautsprecher
- Dynamischer LS, keine Erregerspule (permanentdynamisch)
- Material
- Gerät mit Holzgehäuse
- von Radiomuseum.org
- Modell: 525 - Albis, Albiswerke AG Siemens
- Abmessungen (BHT)
- 523 x 388 x 305 mm / 20.6 x 15.3 x 12 inch
- Bemerkung
- wie 524 mit Grammo, Saphir
- Nettogewicht
- 13.5 kg / 29 lb 11.8 oz (29.736 lb)
- Originalpreis
- 785.00 SFr
- Datenherkunft extern
- E. Erb 3-907007-36-0
- Datenherkunft
- Radiokatalog Band 2, Ernst Erb
- Schaltungsnachweis
- Die Tungsram-Tabellen führen das Modell auf.
- Weitere Modelle
-
Hier finden Sie 176 Modelle, davon 152 mit Bildern und 146 mit Schaltbildern.
Alle gelisteten Radios usw. von Albis, Albiswerke AG (Siemens Switzerland AG / Telefunken Zürich AG / Siemens-Albis); Albisrieden