- Pays
- Etats-Unis
- Fabricant / Marque
- Ambassador (Allied Stores Purchasing/Metasco); New York, NY
- Année
- 1952 ?
- Catégorie
- Récepteur de télévision ou moniteur
- Radiomuseum.org ID
- 355996
Cliquez sur la vignette du schéma pour le demander en tant que document gratuit.
- No. de tubes
- 20
- Lampes / Tubes
- 6AG5 or 6BC5 6J6 6CB6 or 6BC5 6AU6 6AU6 6AL5 6AC7 or 6AH6 12AU7 or 12AV7 or 12AZ7 6AU6 6T8 6V6GT or 6AQ5 or 6K6GT 6SN7GT 6J5 6AL5 7N7 or 6SN7GT 6BG6G 6W4GT 1B3GT 5U4G 17BP4A
- Principe général
- Super hétérodyne avec étage HF
- Gammes d'ondes
- Bandes en notes
- Tension / type courant
- Alimentation Courant Alternatif (CA) / 60Hz, 117V=110-120 Volt
- Matière
- Plastique moderne (pas de bakélite, ni de catalin)
- De Radiomuseum.org
- Modèle: AM17TIM - Ambassador Allied Stores
- Forme
- Modèle de table générique
- Remarques
-
Ambassador model AM17TIM is a 17” b/w TV with US standard VHF tuner channels 2 thru 13. Equipped with a VHF tuner and picture tube 17BP4A.
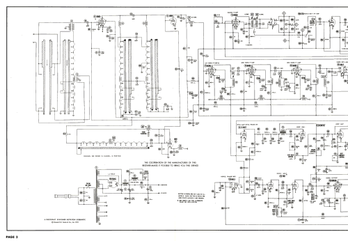
- Schémathèque (1)
- Photofact Folder, Howard W. SAMS (Set 171, folder 2, dated 6-52)
- Auteur
- Modèle crée par Dirk Taekels. Voir les propositions de modification pour les contributeurs supplémentaires.
- D'autres Modèles
-
Vous pourrez trouver sous ce lien 89 modèles d'appareils, 27 avec des images et 74 avec des schémas.
Tous les appareils de Ambassador (Allied Stores Purchasing/Metasco); New York, NY