Ambassador 16MXT
Ambassador (Allied Stores Purchasing/Metasco); New York, NY
- Produttore / Marca
- Ambassador (Allied Stores Purchasing/Metasco); New York, NY
- Anno
- 1952 ?
- Categoria
- Televisore (TV) / Monitor
- Radiomuseum.org ID
- 354456
Clicca sulla miniatura dello schema per richiederlo come documento gratuito.
- Numero di tubi
- 21
- Valvole
- 6CB6 6J6 6AU6 6AU6 6AU6 6AL6 6AC7 12AU7 6AU6 6AL5 6SQ7 6V6GT 6J5 6SN7GT 6H6 6SN7GT 6BG6G 6W4GT 1B3GT 5U4G 16DP4A
- Principio generale
- Supereterodina con stadio RF
- Gamme d'onda
- Gamme d'onda nelle note.
- Tensioni di funzionamento
- Alimentazione a corrente alternata (CA) / 60 Hz, 117V = 110 -120 Volt
- Altoparlante
- AP magnetodinamico (magnete permanente e bobina mobile) / Ø 11.5 inch = 29.2 cm
- Materiali
- Mobile in legno
- Radiomuseum.org
- Modello: Ambassador 16MXT - Ambassador Allied Stores
- Forma
- Console, con gambe d'appoggio basse (< 50%).
- Annotazioni
-
Ambassador model 16MXT is a 16” b/w TV with US standard VHF tuner channels 2 thru 13.
Equipped with a VHF tuner and picture tube 16DP4A.
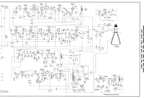
- Letteratura / Schemi (1)
- Photofact Folder, Howard W. SAMS (Set 162, folder 2, 3-52)
- Autore
- Modello inviato da Dirk Taekels. Utilizzare "Proponi modifica" per inviare ulteriori dati.
- Altri modelli
-
In questo link sono elencati 89 modelli, di cui 27 con immagini e 74 con schemi.
Elenco delle radio e altri apparecchi della Ambassador (Allied Stores Purchasing/Metasco); New York, NY