Knight 93SZ505
Allied Radio Corp. (Knight, Roamer, Wextark); Chicago (IL)
- Country
- United States of America (USA)
- Manufacturer / Brand
- Allied Radio Corp. (Knight, Roamer, Wextark); Chicago (IL)
- Year
- 1956 ?
- Category
- Audio Amplifier or -mixer
- Radiomuseum.org ID
- 211811
Click on the schematic thumbnail to request the schematic as a free document.
- Number of Tubes
- 5
- Main principle
- Audio-Amplification
- Wave bands
- - without
- Power type and voltage
- Alternating Current supply (AC) / 60 Hz, 117V = 110 -120 Volt
- Loudspeaker
- 2 Loudspeakers
- Power out
- 16 W (unknown quality)
- Material
- Plastics (no bakelite or catalin)
- from Radiomuseum.org
- Model: Knight 93SZ505 - Allied Radio Corp. Knight,
- Shape
- Book-shelf unit.
- Notes
-
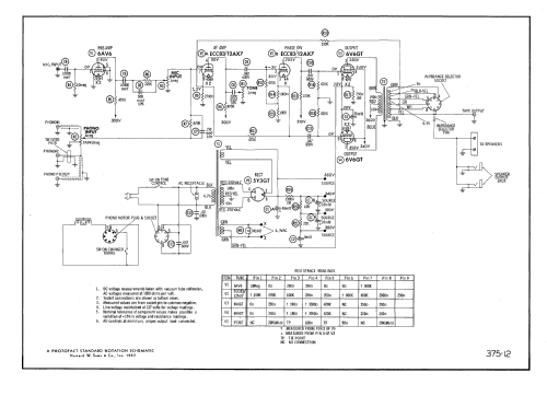
The Knight model 93SZ505 is an AC operated 16 Watt 3 channel audio amplifier.
- Literature/Schematics (1)
- Photofact Folder, Howard W. SAMS (Date 10-57, Set 375, Folder 12)
- Author
- Model page created by Oscar Herrera. See "Data change" for further contributors.
- Other Models
-
Here you find 1325 models, 990 with images and 682 with schematics for wireless sets etc. In French: TSF for Télégraphie sans fil.
All listed radios etc. from Allied Radio Corp. (Knight, Roamer, Wextark); Chicago (IL)