MK Modelsuper
Amroh NV (Radio Bulletin monthly), Muiden
- País
- Holanda
- Fabricante / Marca
- Amroh NV (Radio Bulletin monthly), Muiden
- Año
- 1950
- Categoría
- Radio - o Sintonizador pasado WW2
- Radiomuseum.org ID
- 230709
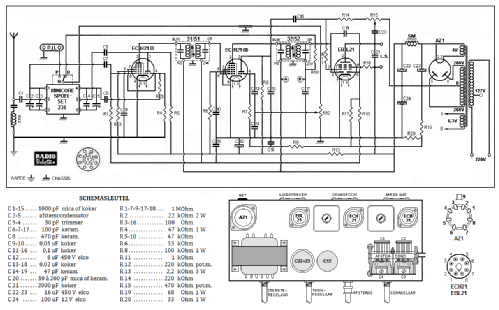
Haga clic en la miniatura esquemática para solicitarlo como documento gratuito.
- Numero de valvulas
- 0
- Principio principal
- Superheterodino en general; ZF/IF 471 kHz
- Número de circuitos sintonía
- 6 Circuíto(s) AM
- Gama de ondas
- OM, OL y OC
- Tensión de funcionamiento
- Red: Corriente alterna (CA, Inglés = AC) / 220 Volt
- Altavoz
- - Este modelo usa altavoz exterior (1 o más).
- Potencia de salida
- 4.5 W (unknown quality)
- Material
- Metálico
- de Radiomuseum.org
- Modelo: MK Modelsuper - Amroh NV Radio Bulletin
- Forma
- Chasis (tambien de autoradio)
- Mencionado en
- Jongens Radio 2, November 1950
- Autor
- Modelo creado por Rob Majoor. Ver en "Modificar Ficha" los participantes posteriores.
- Otros modelos
-
Donde encontrará 240 modelos, 208 con imágenes y 231 con esquemas.
Ir al listado general de Amroh NV (Radio Bulletin monthly), Muiden