RFT-Autoantenne R25950
Antennenwerke Bad Blankenburg /Thür., VEB; - vorm. Heliogen
- Hersteller / Marke
- Antennenwerke Bad Blankenburg /Thür., VEB; - vorm. Heliogen
- Jahr
- 1953 ?
- Kategorie
- Antenne oder Anpassgerät
- Radiomuseum.org ID
- 303025
-
- Marke: VEB Antennenwerke Bad Blankenburg; Bad B.
Klicken Sie auf den Schaltplanausschnitt, um diesen kostenlos als Dokument anzufordern.
- Wellenbereiche
- Langwelle, Mittelwelle und Kurzwelle.
- Betriebsart / Volt
- Keine Stromversorgung
- Lautsprecher
- - - Kein Ausgang für Schallwiedergabe.
- Material
- Diverses Material
Die GFGF Zeitschrift Funkgeschichte bringt interessante Artikel zu Radios, Funkwesen und Medien. Bei Radiomuseum.org finden Sie die vollständigen Hefte früherer Ausgaben als PDF zum Download.
- von Radiomuseum.org
- Modell: RFT-Autoantenne R25950 - Antennenwerke Bad Blankenburg
- Form
- Diverse Formen, unter Bemerkung beschrieben.
- Bemerkung
-
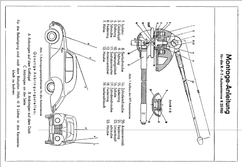
Autoantenne zur Montage an der Karosserie.
Länge des ausziehbaren Antennenstabes: 1600 mm, zusammengeschoben 560 mm.
Stäbe aus gezogenem Messing Rohr verchromt, Endstab aus Stahl verchromt. Pressstoffisolator für Einlochbefestigung.
Empfängeranschluss mittels Koaxialkabel, ca. 1 m lang
- Nettogewicht
- 0.420 kg / 0 lb 14.8 oz (0.925 lb)
- Literaturnachweis
- -- Original-techn. papers.
- Literatur/Schema (1)
- - - Manufacturers Literature (Katalog Antennenbauteile 1956)
- Autor
- Modellseite von Michael Mischke angelegt. Siehe bei "Änderungsvorschlag" für weitere Mitarbeit.
- Weitere Modelle
-
Hier finden Sie 361 Modelle, davon 303 mit Bildern und 95 mit Schaltbildern.
Alle gelisteten Radios usw. von Antennenwerke Bad Blankenburg /Thür., VEB; - vorm. Heliogen