- Country
- United States of America (USA)
- Manufacturer / Brand
- Automatic Radio Mfg. Co.; Boston (MA)
- Year
- 1957–1959
- Category
- Car Radio, perhaps also + sound player/recorder
- Radiomuseum.org ID
- 147019
Click on the schematic thumbnail to request the schematic as a free document.
- Number of Tubes
- 6
- Main principle
- Superheterodyne (common); ZF/IF 265 or 455 kHz
- Wave bands
- Broadcast only (MW).
- Power type and voltage
- Storage Battery for all (e.g. for car radios and amateur radios) / 12 Volt
- Loudspeaker
- - This model requires external speaker(s).
- Material
- Metal case
- from Radiomuseum.org
- Model: HP-10 - Automatic Radio Mfg. Co.;
- Shape
- Chassis only or for «building in»
- Notes
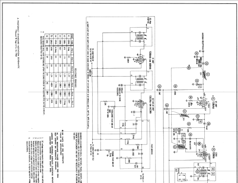
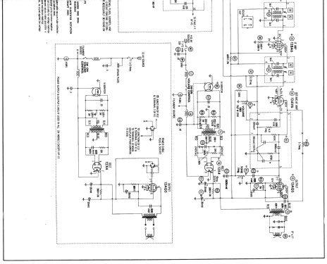
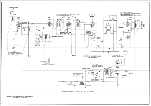
- Pushbutton versions use 165 kc, manual tuning versions use 455 kc. Sams photofact set 485 folder 5 date 5-60 features the Automatic Radio models D-2, DP-11 (for 1959 Renault Dauphine 12 Volt), D-8, DP-6 (for 1957/58/59 Renault Dauphine 6 Volt), H-4, HP-15 (for Hillman Minx 12 Volt), H-9, HP-10 (for 1958 Hillman 12 Volt), VP-12 (universal type 12 Volt), W-76, WP-7, WPC-8 (for Volkswagen 1957 6 Volt), WP-4 (for 1958/59 Volkswagen 6 Volt), WP-7G (for Karmann Ghia 6 Volt) as the same schematic.
- Literature/Schematics (1)
- Photofact Folder, Howard W. SAMS (Set 485 folder 5 date 5-60)
- Author
- Model page created by Peter Hoddow. See "Data change" for further contributors.
- Other Models
-
Here you find 401 models, 164 with images and 321 with schematics for wireless sets etc. In French: TSF for Télégraphie sans fil.
All listed radios etc. from Automatic Radio Mfg. Co.; Boston (MA)