- Produttore / Marca
- Alba (Brand) Balcombe Ltd., ALBA (Radio & Television) Ltd; London
- Anno
- 1960
- Categoria
- Radio (o sintonizzatore del dopoguerra WW2)
- Radiomuseum.org ID
- 103565
-
- Brand: Alba
Clicca sulla miniatura dello schema per richiederlo come documento gratuito.
- Numero di tubi
- 8
- Principio generale
- Supereterodina (in generale); ZF/IF 470/10700 kHz; 2 Stadi BF
- N. di circuiti accordati
- 6 Circuiti Mod. Amp. (AM) 8 Circuiti Mod. Freq. (FM)
- Gamme d'onda
- Onde medie (OM), lunghe (OL) e MF (FM).
- Particolarità
- Cambiadischi
- Tensioni di funzionamento
- Alimentazione a corrente alternata (CA) / 200-250 Volt
- Altoparlante
- 2 altoparlanti
- Materiali
- Mobile in legno
- Radiomuseum.org
- Modello: Alba 6401 - Alba Brand Balcombe Ltd., ALBA
- Forma
- Console, con gambe d'appoggio alte (> 50%).
- Annotazioni
- Stereo radiogram fitted with BSR type UA14 changer unit. Same chassis as model 6301.
- Prezzo nel primo anno
- 52.00 GBP
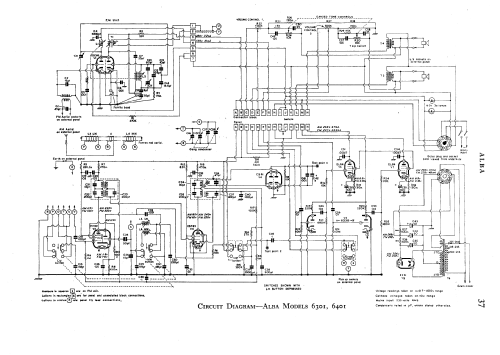
- Riferimenti schemi
- Radio and TV Servicing books (R&TVS) book
- Bibliografia
- -- Original-techn. papers.
- Letteratura / Schemi (1)
- Trader Sheet 1521.
- Autore
- Modello inviato da Peter Hoddow. Utilizzare "Proponi modifica" per inviare ulteriori dati.
- Altri modelli
-
In questo link sono elencati 253 modelli, di cui 132 con immagini e 166 con schemi.
Elenco delle radio e altri apparecchi della Alba (Brand) Balcombe Ltd., ALBA (Radio & Television) Ltd; London