- Country
- Great Britain (UK)
- Manufacturer / Brand
- Alba (Brand) Balcombe Ltd., ALBA (Radio & Television) Ltd; London
- Year
- 1963 ?
- Category
- Broadcast Receiver - or past WW2 Tuner
- Radiomuseum.org ID
- 168758
-
- Brand: Alba
Click on the schematic thumbnail to request the schematic as a free document.
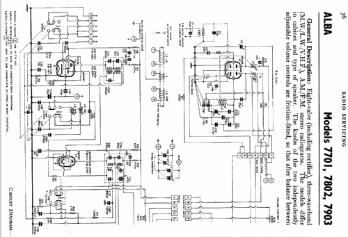
- Number of Tubes
- 8
- Main principle
- Superheterodyne (common); ZF/IF 470/10700 kHz; 2 AF stage(s)
- Tuned circuits
- 6 AM circuit(s) 8 FM circuit(s)
- Wave bands
- Broadcast, Long Wave and FM or UHF.
- Details
- Record Player (perh.Changer)
- Power type and voltage
- Alternating Current supply (AC) / 190-260 Volt
- Loudspeaker
- 2 Loudspeakers
- Material
- Wooden case
- from Radiomuseum.org
- Model: Alba 7701 - Alba Brand Balcombe Ltd., ALBA
- Shape
- Console with any shape - in general
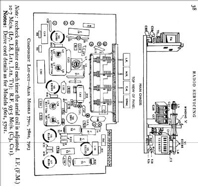
- Notes
- Stereo radiogram, mono radio.
- Source of data
- -- Schematic
- Literature/Schematics (1)
- Radio And Television Servicing books (R&TVS)
- Author
- Model page created by Keith Staines. See "Data change" for further contributors.
- Other Models
-
Here you find 253 models, 132 with images and 166 with schematics for wireless sets etc. In French: TSF for Télégraphie sans fil.
All listed radios etc. from Alba (Brand) Balcombe Ltd., ALBA (Radio & Television) Ltd; London