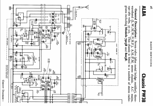
Alba 7903B Ch= PW38
Alba (Brand) Balcombe Ltd., ALBA (Radio & Television) Ltd; London
- Produttore / Marca
- Alba (Brand) Balcombe Ltd., ALBA (Radio & Television) Ltd; London
- Anno
- 1965 ?
- Categoria
- Radio (o sintonizzatore del dopoguerra WW2)
- Radiomuseum.org ID
- 175690
-
- Brand: Alba
Clicca sulla miniatura dello schema per richiederlo come documento gratuito.
- Numero di tubi
- 7
- Principio generale
- Supereterodina (in generale); 2 Stadi BF
- N. di circuiti accordati
- 6 Circuiti Mod. Amp. (AM) 8 Circuiti Mod. Freq. (FM)
- Gamme d'onda
- Onde medie (OM), lunghe (OL) e MF (FM).
- Particolarità
- Giradischi o cambiadischi
- Tensioni di funzionamento
- Alimentazione a corrente alternata (CA) / 190-260 Volt
- Altoparlante
- 2 altoparlanti
- Radiomuseum.org
- Modello: Alba 7903B Ch= PW38 - Alba Brand Balcombe Ltd., ALBA
- Annotazioni
- Stereo radiogram (mono radio).
- Fonte dei dati
- -- Schematic
- Riferimenti schemi
- Radio and TV Servicing books (R&TVS) book
- Autore
- Modello inviato da Keith Staines. Utilizzare "Proponi modifica" per inviare ulteriori dati.
- Altri modelli
-
In questo link sono elencati 253 modelli, di cui 132 con immagini e 166 con schemi.
Elenco delle radio e altri apparecchi della Alba (Brand) Balcombe Ltd., ALBA (Radio & Television) Ltd; London