Radiobell 385 (385U)
Bell Telephone Mfg. Co. (Radiobell); Antwerp
- Country
- Belgium
- Manufacturer / Brand
- Bell Telephone Mfg. Co. (Radiobell); Antwerp
- Year
- 1937/1938
- Category
- Broadcast Receiver - or past WW2 Tuner
- Radiomuseum.org ID
- 147798
-
- Brand: Radiobell
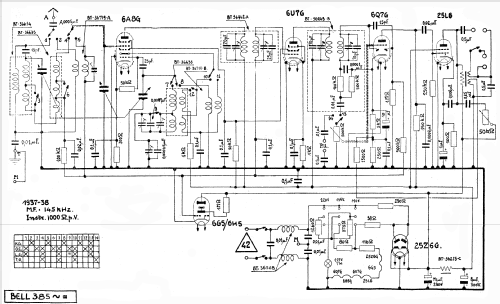
Click on the schematic thumbnail to request the schematic as a free document.
- Number of Tubes
- 6
- Main principle
- Superheterodyne (common); ZF/IF 145 kHz
- Tuned circuits
- 7 AM circuit(s)
- Wave bands
- Broadcast, Long Wave and Short Wave.
- Power type and voltage
- AC/DC-set / 110; 135; 220 Volt
- Loudspeaker
- Electro Magnetic Dynamic LS (moving-coil with field excitation coil)
- Material
- Wooden case
- from Radiomuseum.org
- Model: Radiobell 385 - Bell Telephone Mfg. Co.
- Shape
- Tablemodel, high profile (upright - NOT Cathedral nor decorative).
- Notes
- Codex J.V. US4737. Also listed for 2395 Bfr.
- Price in first year of sale
- 2,365.00 BFR
- Source of data
- -- Original prospect or advert
- Mentioned in
- Manuel de la Radio 1940, van Cortenberghe ("Radio Schakelingen" (J.G.R. van Dijck))
- Literature/Schematics (1)
- Radio Schema's, Deel II (1943 deel II)
- Author
- Model page created by Gidi Verheijen. See "Data change" for further contributors.
- Other Models
-
Here you find 284 models, 244 with images and 118 with schematics for wireless sets etc. In French: TSF for Télégraphie sans fil.
All listed radios etc. from Bell Telephone Mfg. Co. (Radiobell); Antwerp