Raytheon C-1715A Ch= 17AY24
Belmont Radio Corp. (B.R.C.); Chicago, Ill.
- Produttore / Marca
- Belmont Radio Corp. (B.R.C.); Chicago, Ill.
- Anno
- 1951 ?
- Categoria
- Televisore (TV) / Monitor
- Radiomuseum.org ID
- 137284
Clicca sulla miniatura dello schema per richiederlo come documento gratuito.
- Numero di tubi
- 27
- Valvole
- 6AG5 12AT7 6AU6 6AU6 6AU6 6AU6 6AL5 12AT7 6AU6 6AU6 6T8 or 6AL5 6AU6 6V6GT 6SN7GT 6SN7GT 6AL5 6SN7GT 6BG6G 6W4GT 1X2A or 1X2 5U4G 12BE6 12BA6 12AV6 50C5 35W4 17BP4
- Principio generale
- Supereterodina con stadio RF
- Gamme d'onda
- Gamme d'onda nelle note.
- Particolarità
- Cambiadischi
- Tensioni di funzionamento
- Alimentazione a corrente alternata (CA) / 60 Hz, 117V = 110 -120 Volt
- Altoparlante
- 2 altoparlanti
- Materiali
- Mobile in legno
- Radiomuseum.org
- Modello: Raytheon C-1715A Ch= 17AY24 - Belmont Radio Corp. B.R.C.;
- Forma
- Console, con gambe d'appoggio basse (< 50%).
- Annotazioni
-
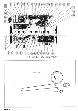
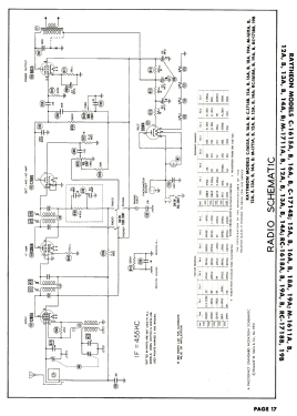
Raytheon model C-1715A is a 21” b/w TV with US standard VHF tuner channels 2 thru 13.
Is a TV-AM-phono combination receiver equipped with chassis 17AY24, a VHF tuner and picture tube 17BP4. Typo on page 1 of service manual .TV only receivers have 22 tubes , combination receivers have 27 tubes.
- Letteratura / Schemi (1)
- Photofact Folder, Howard W. SAMS (Date 2-51, Set 124, Folder 8)
- Letteratura / Schemi (2)
- Photofact Folder, Howard W. SAMS (Set 132, folder 1, production changes bulletin 19, dated 5-51)
- Autore
- Modello inviato da Egon Penker. Utilizzare "Proponi modifica" per inviare ulteriori dati.
- Altri modelli
-
In questo link sono elencati 442 modelli, di cui 207 con immagini e 383 con schemi.
Elenco delle radio e altri apparecchi della Belmont Radio Corp. (B.R.C.); Chicago, Ill.