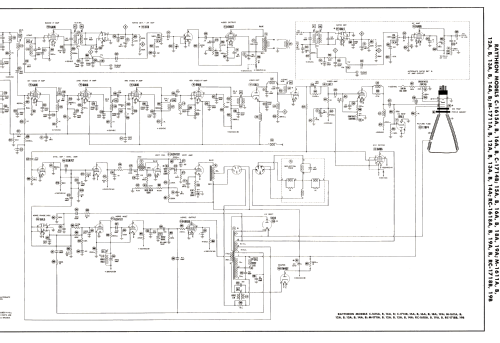
Raytheon C-1716A Ch= 17AY24
Belmont Radio Corp. (B.R.C.); Chicago, Ill.
- País
- Estados Unidos
- Fabricante / Marca
- Belmont Radio Corp. (B.R.C.); Chicago, Ill.
- Año
- 1951 ?
- Categoría
- Televisión (TV) o monitor
- Radiomuseum.org ID
- 137282
Haga clic en la miniatura esquemática para solicitarlo como documento gratuito.
- Numero de valvulas
- 27
- Válvulas
- 6AG5 12AT7 6AU6 6AU6 6AU6 6AU6 6AL5 12AT7 6AU6 6AU6 6T8 or 6AL5 6AU6 6V6GT 6SN7GT 6SN7GT 6AL5 6SN7GT 6BG6G 6W4GT 1X2A or 1X2 5U4G 12BE6 12BA6 12AV6 50C5 35W4 17BP4
- Principio principal
- Superheterodino con paso previo de RF
- Gama de ondas
- Bandas de recepción puestas en notas.
- Especialidades
- Tocadiscos con cambiador autom.
- Tensión de funcionamiento
- Red: Corriente alterna (CA, Inglés = AC) / 60 Hz, 117V = 110 -120 Volt
- Altavoz
- 2 Altavoces
- Material
- Madera
- de Radiomuseum.org
- Modelo: Raytheon C-1716A Ch= 17AY24 - Belmont Radio Corp. B.R.C.;
- Forma
- Consola baja, patas más cortas del 50%.
- Anotaciones
-
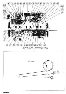
Raytheon model C-1716A is a 21” b/w TV with US standard VHF tuner channels 2 thru 13.
Is a TV-AM-phono combination receiver equipped with chassis 17AY24, a VHF tuner and picture tube 17BP4. Typo on page 1 of service manual .TV only receivers have 22 tubes , combination receivers have 27 tubes.
- Documentación / Esquemas (1)
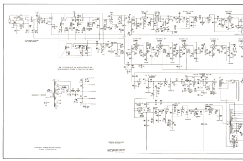
- Photofact Folder, Howard W. SAMS (Date 2-51, Set 124, Folder 8)
- Documentación / Esquemas (2)
- Photofact Folder, Howard W. SAMS (Set 132, folder 1, production changes bulletin 19, dated 5-51)
- Autor
- Modelo creado por Egon Penker. Ver en "Modificar Ficha" los participantes posteriores.
- Otros modelos
-
Donde encontrará 442 modelos, 207 con imágenes y 383 con esquemas.
Ir al listado general de Belmont Radio Corp. (B.R.C.); Chicago, Ill.