Raytheon M-1713A Ch= 17AY24
Belmont Radio Corp. (B.R.C.); Chicago, Ill.
- Land
- USA
- Hersteller / Marke
- Belmont Radio Corp. (B.R.C.); Chicago, Ill.
- Jahr
- 1951 ?
- Kategorie
- Fernseh-Empfänger/Monitor
- Radiomuseum.org ID
- 137280
Klicken Sie auf den Schaltplanausschnitt, um diesen kostenlos als Dokument anzufordern.
- Anzahl Röhren
- 27
- Röhren
- 6AG5 12AT7 6AU6 6AU6 6AU6 6AU6 6AL5 12AT7 6AU6 6AU6 6T8 or 6AL5 6AU6 6V6GT 6SN7GT 6SN7GT 6AL5 6SN7GT 6BG6G 6W4GT 1X2A or 1X2 5U4G 12BE6 12BA6 12AV6 50C5 35W4 17BP4
- Hauptprinzip
- Super mit HF-Vorstufe
- Wellenbereiche
- Wellen in den Bemerkungen.
- Spezialitäten
- Plattenwechsler
- Betriebsart / Volt
- Wechselstromspeisung / 60 Hz, 117V = 110 -120 Volt
- Lautsprecher
- 2 Lautsprecher
- Material
- Gerät mit Holzgehäuse
- von Radiomuseum.org
- Modell: Raytheon M-1713A Ch= 17AY24 - Belmont Radio Corp. B.R.C.;
- Form
- Standgerät auf niedrigen Beinen (Beine < 50 % der Gesamthöhe).
- Bemerkung
-
Raytheon model M-1713A is a 21” b/w TV with US standard VHF tuner channels 2 thru 13.
Is a TV-AM-phono combination receiver equipped with chassis 17AY24, a VHF tuner and picture tube 17BP4. Typo on page 1 of service manual .TV only receivers have 22 tubes , combination receivers have 27 tubes.
- Literatur/Schema (1)
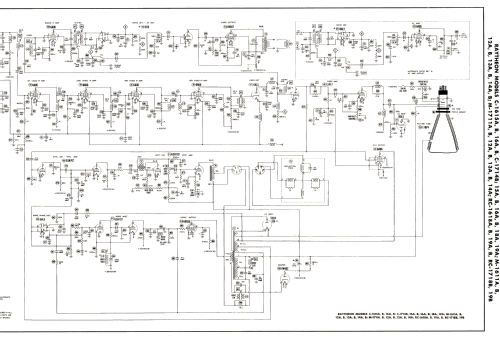
- Photofact Folder, Howard W. SAMS (Date 2-51, Set 124, Folder 8)
- Literatur/Schema (2)
- Photofact Folder, Howard W. SAMS (Set 132, folder 1, production changes bulletin 19, dated 5-51)
- Autor
- Modellseite von Egon Penker angelegt. Siehe bei "Änderungsvorschlag" für weitere Mitarbeit.
- Weitere Modelle
-
Hier finden Sie 442 Modelle, davon 207 mit Bildern und 383 mit Schaltbildern.
Alle gelisteten Radios usw. von Belmont Radio Corp. (B.R.C.); Chicago, Ill.