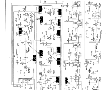
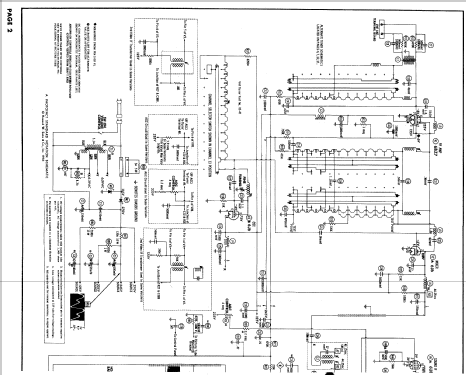
Silvertone 6123 Ch= 528.39500

Belmont Radio Corp. (B.R.C.); Chicago, Ill.

  • Year
  • 1956 ?
  • Category
  • Television Receiver (TV) or Monitor
  • Radiomuseum.org ID
  • 137408

Click on the schematic thumbnail to request the schematic as a free document.

 Technical Specifications

  • Number of Tubes
  • 18
  • Main principle
  • Superhet with RF-stage
  • Wave bands
  • Wave Bands given in the notes.
  • Power type and voltage
  • Alternating Current supply (AC) / 60 cycles, 110-120 Volt
  • Loudspeaker
  • Permanent Magnet Dynamic (PDyn) Loudspeaker (moving coil)
  • Material
  • Wooden case
  • from Radiomuseum.org
  • Model: Silvertone 6123 Ch= 528.39500 - Belmont Radio Corp. B.R.C.;
  • Shape
  • Tablemodel, with any shape - general.
  • Notes
  • The Silvertone model 6123 is a 24" b/w TV with US standard VHF Tuner channels 2 thru 13, 14 thru 83 UHF. Equipped with chassis 528.39500 and picture tube 24YP4.

  • Author
  • Model page created by Egon Penker. See "Data change" for further contributors.

 Collections | Museums | Literature

 Forum