Silvertone 6132 Ch= 528.38701
Belmont Radio Corp. (B.R.C.); Chicago, Ill.
- Country
- United States of America (USA)
- Manufacturer / Brand
- Belmont Radio Corp. (B.R.C.); Chicago, Ill.
- Year
- 1956 ?
- Category
- Television Receiver (TV) or Monitor
- Radiomuseum.org ID
- 137428
Click on the schematic thumbnail to request the schematic as a free document.
- Number of Tubes
- 17
- Valves / Tubes
- 6BZ7 6J6 6CB6 6CB6 6AM8 6AW8 6AU6 6U8 6T8 6V6GT 6C4 6S4 6SN7GT 6CD6GA 6AU4GTA 1B3GT 24YP4
- Main principle
- Superhet with RF-stage
- Wave bands
- Wave Bands given in the notes.
- Power type and voltage
- Alternating Current supply (AC) / 60 cycles, 110-120 Volt
- Loudspeaker
- Permanent Magnet Dynamic (PDyn) Loudspeaker (moving coil)
- Material
- Wooden case
- from Radiomuseum.org
- Model: Silvertone 6132 Ch= 528.38701 - Belmont Radio Corp. B.R.C.;
- Shape
- Tablemodel, with any shape - general.
- Notes
-
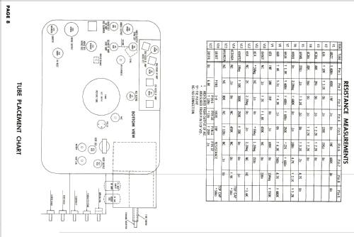
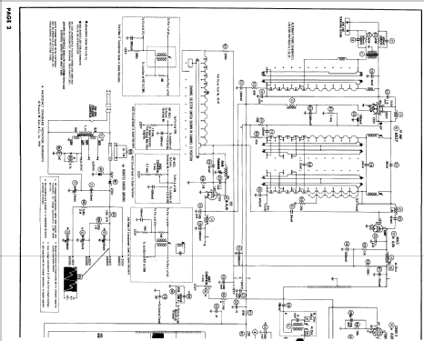
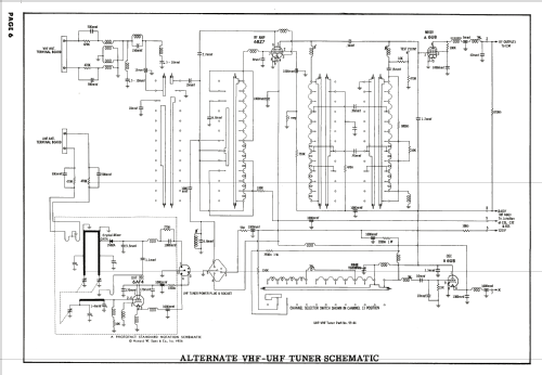
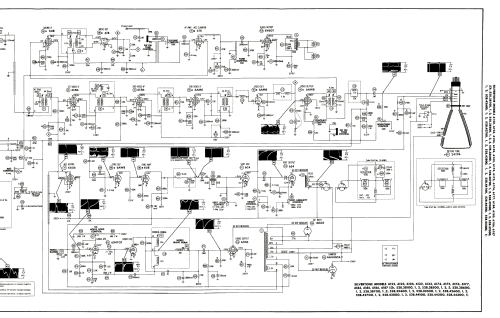
The SILVERTONE model 6132 is a 24" b/w TV with US standard VHF Tuner channels 2 thru 13. Equipped with chassis 528.38701 and picture tube 24YP4.
- Literature/Schematics (1)
- Photofact Folder, Howard W. SAMS (Date 9-56, Set 329, Folder 13)
- Author
- Model page created by Egon Penker. See "Data change" for further contributors.
- Other Models
-
Here you find 442 models, 207 with images and 383 with schematics for wireless sets etc. In French: TSF for Télégraphie sans fil.
All listed radios etc. from Belmont Radio Corp. (B.R.C.); Chicago, Ill.