- País
- Alemania
- Fabricante / Marca
- Blaupunkt (Ideal), Berlin, später Hildesheim
- Año
- 1946/1947
- Categoría
- Radio - o Sintonizador pasado WW2
- Radiomuseum.org ID
- 663
-
- alternative name: Ideal-Radiotelephon- und App-fabr. || Ideal-Werke AG; Berlin (ab 1934)
- Brand: Rotstern
Haga clic en la miniatura esquemática para solicitarlo como documento gratuito.
- Numero de valvulas
- 4
- Principio principal
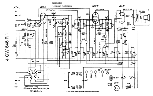
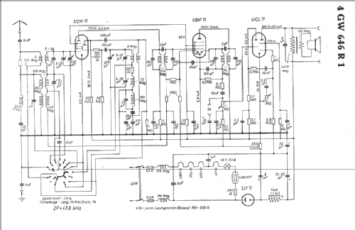
- Superheterodino en general; ZF/IF 468 kHz
- Número de circuitos sintonía
- 6 Circuíto(s) AM
- Gama de ondas
- OM, OL y OC
- Tensión de funcionamiento
- Red: Aparato AC/DC. / 220 Volt
- Altavoz
- Altavoz dinámico. Se desconoce si a imán permanente o electroimán.
- Material
- Madera
- de Radiomuseum.org
- Modelo: 4GW646R1 - Blaupunkt Ideal, Berlin,
- Forma
- Sobremesa apaisado (tamaño grande).
- Ancho, altura, profundidad
- 545 x 315 x 250 mm / 21.5 x 12.4 x 9.8 inch
- Anotaciones
-
C-Abstimmung.
- Peso neto
- 11 kg / 24 lb 3.7 oz (24.229 lb)
- Precio durante el primer año
- 540.00 RM
- Procedencia de los datos
- Radiokatalog Band 1, Ernst Erb
- Referencia esquema
- Lange + Schenk Heft 29 von 1947
- Mencionado en
- Radios von gestern, 1. Auflage
- Referencia ilustración
- Das Modell ist im «Radiokatalog» (Erb) abgebildet.
- Otros modelos
-
Donde encontrará 3612 modelos, 3305 con imágenes y 2357 con esquemas.
Ir al listado general de Blaupunkt (Ideal), Berlin, später Hildesheim
Colecciones
El modelo es parte de las colecciones de los siguientes miembros.