- Country
- Germany
- Manufacturer / Brand
- Blaupunkt (Ideal), Berlin, später Hildesheim
- Year
- 1953/1954
- Category
- Car Radio, perhaps also + sound player/recorder
- Radiomuseum.org ID
- 19464
-
- alternative name: Ideal-Radiotelephon- und App-fabr. || Ideal-Werke AG; Berlin (ab 1934)
- Brand: Rotstern
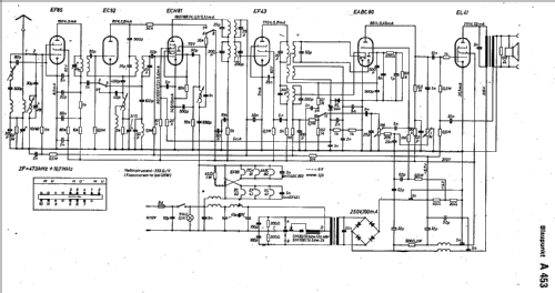
Click on the schematic thumbnail to request the schematic as a free document.
- Number of Tubes
- 6
- Number of Transistors
- Main principle
- Superhet with RF-stage; ZF/IF 473/10700 kHz; 2 AF stage(s)
- Tuned circuits
- 7 AM circuit(s) 9 FM circuit(s)
- Wave bands
- Broadcast (BC) and FM or UHF.
- Power type and voltage
- Storage Battery for all (e.g. for car radios and amateur radios) / 6; 12 Volt
- Loudspeaker
- - This model requires external speaker(s).
- Power out
- 3 W (unknown quality)
- Material
- Metal case
- from Radiomuseum.org
- Model: A453 - Blaupunkt Ideal, Berlin,
- Shape
- Chassis only or for «building in»
- Dimensions (WHD)
- 183 x 76 x 168 mm / 7.2 x 3 x 6.6 inch
- Notes
-
Wechselrichter-Typ: XZ 337/2
Maße Wechselrichter: 187 × 117 × 73 mmDas Autoradio Blaupunkt A453 ist Urmodell und der Auftakt zur erfolgreichen Frankfurt Modellreihe.
Siehe auch Frankfurt A453.
- Price in first year of sale
- 369.00 DM
- External source of data
- Erb
- Source of data
- Kat.d.Rundf.GrossH.1953/54
- Mentioned in
- - - Manufacturers Literature (Blaupunkt Autoradio-Katalog 1953)
- Literature/Schematics (2)
- -- Original-techn. papers.
- Other Models
-
Here you find 3611 models, 3304 with images and 2356 with schematics for wireless sets etc. In French: TSF for Télégraphie sans fil.
All listed radios etc. from Blaupunkt (Ideal), Berlin, später Hildesheim
Collections
The model is part of the collections of the following members.