Bari I (1) de luxe 2460
Blaupunkt (Ideal), Berlin, später Hildesheim
- Pays
- Allemagne
- Fabricant / Marque
- Blaupunkt (Ideal), Berlin, später Hildesheim
- Année
- 1957/1958
- Catégorie
- Radio - ou tuner d'après la guerre 1939-45
- Radiomuseum.org ID
- 74470
-
- alternative name: Ideal-Radiotelephon- und App-fabr. || Ideal-Werke AG; Berlin (ab 1934)
- Brand: Rotstern
Cliquez sur la vignette du schéma pour le demander en tant que document gratuit.
- No. de tubes
- 4
- Principe général
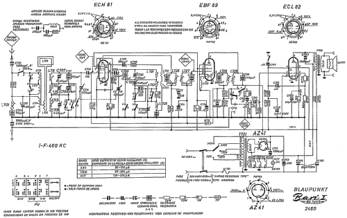
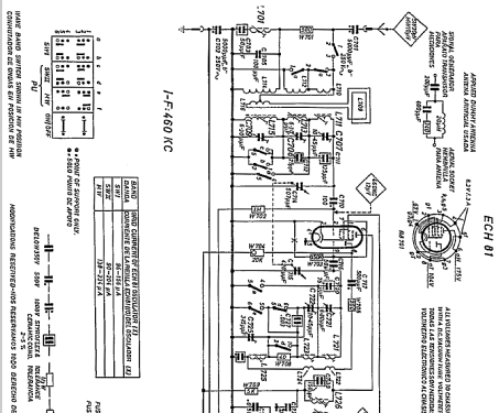
- Super hétérodyne (en général); FI/IF 460 kHz
- Circuits accordés
- 7 Circuits MA (AM)
- Gammes d'ondes
- PO et 2 x OC
- Tension / type courant
- Alimentation Courant Alternatif (CA) / 110-240 Volt
- Haut-parleur
- HP dynamique à aimant permanent + bobine mobile / Ø 13 cm = 5.1 inch
- Matière
- Boitier en bakélite
- De Radiomuseum.org
- Modèle: Bari I de luxe 2460 - Blaupunkt Ideal, Berlin,
- Forme
- Modèle de table avec boutons poussoirs.
- Dimensions (LHP)
- 303 x 197 x 174 mm / 11.9 x 7.8 x 6.9 inch
- Remarques
- Exportmodell, eingebaute Rahmenantenne // Made for export, built in loop antenna (no ferrite).
- Poids net
- 3.8 kg / 8 lb 5.9 oz (8.37 lb)
- Littérature
- -- Original prospect or advert
- Auteur
- Modèle crée par Jean-Paul Pourbaix. Voir les propositions de modification pour les contributeurs supplémentaires.
- D'autres Modèles
-
Vous pourrez trouver sous ce lien 3612 modèles d'appareils, 3305 avec des images et 2357 avec des schémas.
Tous les appareils de Blaupunkt (Ideal), Berlin, später Hildesheim
Collections
Le modèle Bari I (1) de luxe fait partie des collections des membres suivants.