Essen ATR ab U 300001
Blaupunkt (Ideal), Berlin, später Hildesheim
- Country
- Germany
- Manufacturer / Brand
- Blaupunkt (Ideal), Berlin, später Hildesheim
- Year
- 1963/1964
- Category
- Car Radio, perhaps also + sound player/recorder
- Radiomuseum.org ID
- 25014
-
- alternative name: Ideal-Radiotelephon- und App-fabr. || Ideal-Werke AG; Berlin (ab 1934)
- Brand: Rotstern
Click on the schematic thumbnail to request the schematic as a free document.
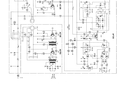
- Number of Transistors
- 10
- Semiconductors
- AF106 AF124 AF126 AF126 AF126 AF126 AF126 AC126 AC128 AD150 E20C30 SIS2 BA100 AA112 AA119 RL52 RL252
- Main principle
- Superheterodyne (common); ZF/IF 460/10700/6700 kHz
- Tuned circuits
- 8 AM circuit(s) 12 FM circuit(s)
- Wave bands
- Broadcast, Long Wave and FM or UHF.
- Power type and voltage
- Storage Battery for all (e.g. for car radios and amateur radios) / 6; 12 Volt
- Loudspeaker
- - This model requires external speaker(s).
- Power out
- 2.5 W (unknown quality)
- Material
- Metal case
- from Radiomuseum.org
- Model: Essen ATR ab U 300001 - Blaupunkt Ideal, Berlin,
- Shape
- Chassis only or for «building in»
- Dimensions (WHD)
- 183 x 60 x 147 mm / 7.2 x 2.4 x 5.8 inch
- Notes
-
Doppelsuper bei UKW, erste ZF 10,7 MHz, zweite ZF 6,7 MHz.
Polarität umschaltbar; tropenfest.Im VDRG-Handbuch 1963/64 ist fälschlicherweise ein AF127 statt AF126 angegeben.
Jeder Halbleiter-Dioden-Typ ist nur einmal gelistet.
- Net weight (2.2 lb = 1 kg)
- 2 kg / 4 lb 6.5 oz (4.405 lb)
- Price in first year of sale
- 298.00 DM
- External source of data
- Erb
- Source of data
- Handbuch VDRG 1963/1964
- Literature/Schematics (1)
- -- Original-techn. papers.
- Literature/Schematics (2)
- Handbuch RFP 1963 (S.280)
- Other Models
-
Here you find 3610 models, 3303 with images and 2355 with schematics for wireless sets etc. In French: TSF for Télégraphie sans fil.
All listed radios etc. from Blaupunkt (Ideal), Berlin, später Hildesheim
Collections
The model Essen ATR is part of the collections of the following members.