Hildesheim 7.637.021 ab L 2200001
Blaupunkt (Ideal), Berlin, später Hildesheim
- Country
- Germany
- Manufacturer / Brand
- Blaupunkt (Ideal), Berlin, später Hildesheim
- Year
- 1978/1979
- Category
- Car Radio, perhaps also + sound player/recorder
- Radiomuseum.org ID
- 191009
-
- alternative name: Ideal-Radiotelephon- und App-fabr. || Ideal-Werke AG; Berlin (ab 1934)
- Brand: Rotstern
Click on the schematic thumbnail to request the schematic as a free document.
- Number of Transistors
- 4
- Main principle
- Superheterodyne (common); ZF/IF 455 kHz
- Wave bands
- Broadcast (MW) and Long Wave.
- Power type and voltage
- Storage Battery for all (e.g. for car radios and amateur radios) / 12 Volt
- Loudspeaker
- - This model requires external speaker(s).
- Material
- Metal case
- from Radiomuseum.org
- Model: Hildesheim 7.637.021 ab L 2200001 - Blaupunkt Ideal, Berlin,
- Shape
- Chassis only or for «building in»
- Notes
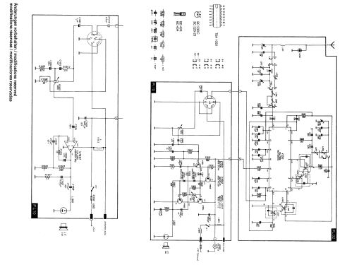
- IC TDA1050, ab FD 912 an Stelle der Transistoren mit IC TDA2002, Baugleich mit Ulm 7.637.022/029
- Literature/Schematics (1)
- -- Original-techn. papers.
- Author
- Model page created by Richard Winter. See "Data change" for further contributors.
- Other Models
-
Here you find 3610 models, 3303 with images and 2356 with schematics for wireless sets etc. In French: TSF for Télégraphie sans fil.
All listed radios etc. from Blaupunkt (Ideal), Berlin, später Hildesheim