Super 4LWP
Blaupunkt (Ideal), Berlin, später Hildesheim
- Hersteller / Marke
- Blaupunkt (Ideal), Berlin, später Hildesheim
- Jahr
- 1933/1934
- Kategorie
- Rundfunkempfänger (Radio - oder Tuner nach WW2)
- Radiomuseum.org ID
- 515
-
- anderer Name: Ideal-Radiotelephon- und App-fabr. || Ideal-Werke AG; Berlin (ab 1934)
- Marke: Rotstern
Klicken Sie auf den Schaltplanausschnitt, um diesen kostenlos als Dokument anzufordern.
- Anzahl Röhren
- 5
- Hauptprinzip
- Superhet allgemein; ZF/IF 480 kHz
- Anzahl Kreise
- 6 Kreis(e) AM
- Wellenbereiche
- Langwelle, Mittelwelle und Kurzwelle.
- Betriebsart / Volt
- Wechselstromspeisung / 110; 125; 150; 220 Volt
- Lautsprecher
- Dynamischer LS, mit Erregerspule (elektrodynamisch)
- Material
- Bakelit (Pressstoff)
Die GFGF Zeitschrift Funkgeschichte bringt interessante Artikel zu Radios, Funkwesen und Medien. Bei Radiomuseum.org finden Sie die vollständigen Hefte früherer Ausgaben als PDF zum Download.
- von Radiomuseum.org
- Modell: Super 4LWP - Blaupunkt Ideal, Berlin,
- Form
- Tischgerät-gross, - Querformat (breiter als hoch oder quadratisch).
- Abmessungen (BHT)
- 420 x 330 x 270 mm / 16.5 x 13 x 10.6 inch
- Bemerkung
- Obenliegende Pultskala
- Nettogewicht
- 13.5 kg / 29 lb 11.8 oz (29.736 lb)
- Originalpreis
- 255.00 RM !
- Datenherkunft
- Radio-Zentrale Prohaska 1933/34 / Radiokatalog Band 1, Ernst Erb
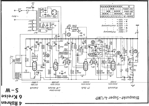
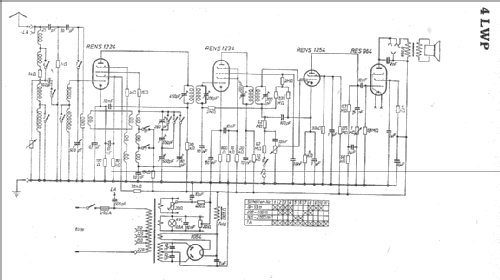
- Schaltungsnachweis
- Lange+Schenk+FS-Röhrenbestückung
- Literatur/Schema (1)
- Radio Schema's, Deel II (1943 deel II)
- Bildnachweis
- Das Modell ist im «Radiokatalog» (Erb) abgebildet.
- Weitere Modelle
-
Hier finden Sie 3616 Modelle, davon 3308 mit Bildern und 2357 mit Schaltbildern.
Alle gelisteten Radios usw. von Blaupunkt (Ideal), Berlin, später Hildesheim
Sammlungen
Das Modell Super befindet sich in den Sammlungen folgender Mitglieder.