- País
- Canada
- Fabricante / Marca
- Canadian General Electric (Canada) (C.G.E. or CGE); Toronto, ON
- Año
- 1936/1937
- Categoría
- Autoradio
- Radiomuseum.org ID
- 93507
Haga clic en la miniatura esquemática para solicitarlo como documento gratuito.
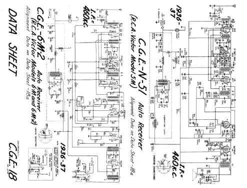
- Numero de valvulas
- 5
- Principio principal
- Superheterodino en general; ZF/IF 460 kHz
- Gama de ondas
- OM (onda media) solamente
- Tensión de funcionamiento
- Bateria recargable
- de Radiomuseum.org
- Modelo: N-51 - Canadian General Electric
- Documentación / Esquemas (1)
- Radio College of Canada, Individual Circuit Service, 1927-1953
- Autor
- Modelo creado por Vitor Oliveira. Ver en "Modificar Ficha" los participantes posteriores.
- Otros modelos
-
Donde encontrará 506 modelos, 374 con imágenes y 428 con esquemas.
Ir al listado general de Canadian General Electric (Canada) (C.G.E. or CGE); Toronto, ON