5T124 Companion
Canadian Westinghouse, Hamilton
- País
- Canada
- Fabricante / Marca
- Canadian Westinghouse, Hamilton
- Año
- 1956/1957
- Categoría
- Radio - o Sintonizador pasado WW2
- Radiomuseum.org ID
- 253178
-
- alternative name: Westinghouse Canada
Haga clic en la miniatura esquemática para solicitarlo como documento gratuito.
- Numero de valvulas
- 5
- Principio principal
- Superheterodino en general; ZF/IF 455 kHz; 2 Etapas de AF
- Número de circuitos sintonía
- 6 Circuíto(s) AM
- Gama de ondas
- OM (onda media) solamente
- Tensión de funcionamiento
- Red: Corriente alterna (CA, Inglés = AC) / 117 Volt
- Altavoz
- Altavoz dinámico (de imán permanente)
- Material
- Inyectado (se desconoce si bakelita o plástico).
- de Radiomuseum.org
- Modelo: 5T124 Companion - Canadian Westinghouse,
- Forma
- Sobremesa con reloj o Radio despertador.
- Ancho, altura, profundidad
- 11.5 x 6.3125 x 5.03125 inch / 292 x 160 x 128 mm
- Anotaciones
-
Available in Walnut, Ivory, Grey, Black or Seafoam Green.
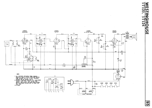
- Documentación / Esquemas (1)
- Radio College of Canada (RCC) (1956 supplement 38)
- Documentación / Esquemas (3)
- -- Original prospect or advert (The Westinghouse Folder for 1957.)
- Autor
- Modelo creado por Ernst Erb. Ver en "Modificar Ficha" los participantes posteriores.
- Otros modelos
-
Donde encontrará 384 modelos, 173 con imágenes y 357 con esquemas.
Ir al listado general de Canadian Westinghouse, Hamilton