Supertrionda 461
CGE, Compagnia Generale di Elettricità; Milano
- Country
- Italy
- Manufacturer / Brand
- CGE, Compagnia Generale di Elettricità; Milano
- Year
- 1937/1938
- Category
- Broadcast Receiver - or past WW2 Tuner
- Radiomuseum.org ID
- 30515
Click on the schematic thumbnail to request the schematic as a free document.
- Number of Tubes
- 5
- Main principle
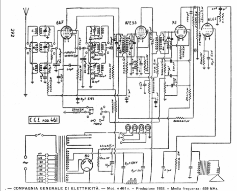
- Superheterodyne (common); ZF/IF 459 kHz
- Tuned circuits
- 6 AM circuit(s)
- Wave bands
- Broadcast, Long Wave and Short Wave.
- Power type and voltage
- Alternating Current supply (AC) / 110; 125; 140; 160; 220 Volt
- Loudspeaker
- Electro Magnetic Dynamic LS (moving-coil with field excitation coil)
- Power out
- 4 W (unknown quality)
- Material
- Wooden case
- from Radiomuseum.org
- Model: Supertrionda 461 - CGE, Compagnia Generale di
- Shape
- Tablemodel, with any shape - general.
- Dimensions (WHD)
- 450 x 430 x 300 mm / 17.7 x 16.9 x 11.8 inch
- Notes
-
Due varianti di mobile (differenti tipi di legno e copertura altoparlante).
Controllo di tono. Ingresso Fono.
- Price in first year of sale
- 1,340.00 ITL
- Source of data
- -- Original prospect or advert
- Mentioned in
- Guida Pratica Antique Radio (1) 1999 (anche volumi II e III)
- Literature/Schematics (1)
- Il Radio Libro (E.D. Ravalico) Edizioni Hoepli (VI edizione 1942)
- Literature/Schematics (2)
- Schemario di apparecchi radio a valvole (II edizione, D.E. Ravalico - Hoepli - 1945)
- Author
- Model page created by Alessandro De Poi. See "Data change" for further contributors.
- Other Models
-
Here you find 323 models, 261 with images and 238 with schematics for wireless sets etc. In French: TSF for Télégraphie sans fil.
All listed radios etc. from CGE, Compagnia Generale di Elettricità; Milano
Collections
The model Supertrionda is part of the collections of the following members.