Tuner FM 62
Cibot Radio; Paris
- País
- Francia
- Fabricante / Marca
- Cibot Radio; Paris
- Año
- 1962
- Categoría
- Radio - o Sintonizador pasado WW2
- Radiomuseum.org ID
- 333324
Haga clic en la miniatura esquemática para solicitarlo como documento gratuito.
- Numero de valvulas
- 7
- Numero de transistores
- Semiconductores
- OA85 Tr.Gl.=Metal-rectif.
- Principio principal
- Superheterodino en general; ZF/IF 10700 kHz
- Gama de ondas
- Solamente FM
- Tensión de funcionamiento
- Red: Corriente alterna (CA, Inglés = AC) / 110; 220 Volt
- Altavoz
- - Este modelo usa amplificador externo de B.F.
- Material
- Madera
- de Radiomuseum.org
- Modelo: Tuner FM 62 - Cibot Radio; Paris
- Forma
- Sobremesa de tamaño mediano sin botonera <= 35 cm. (Incluso portables pero sólo con alimantación por red).
- Ancho, altura, profundidad
- 290 x 80 x 190 mm / 11.4 x 3.1 x 7.5 inch
- Anotaciones
-
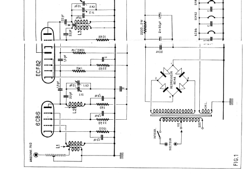
Ce tuner vendu en kit ou en ordre de marche par la société Cibot est présenté dans un coffret de dimensions réduites. Il reçoit la gamme FM de 86,5 à 101 (87 à 118) MHz.
Il est équipé d'une pentode 6CB6 en entrée HF, la conversion est réalisé par une triode pentode ECF82. L'amplification de la fréquence intermédiaire est classique avec 2 étages à pentodes EF85 à pente variable. Le détecteur de rapport fait appel à une double diode 6AL5.
La réception stéréophonique, qui était disponible en 1962, dans quelques rares régions de France, est possible grace à une sous-porteuse de 70 kHz modulée en amplitude par le canal gauche, le canal droit étant transmis par la modulation FM principale.
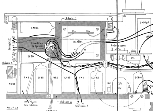
L'appareil était vendu en kit, avec ou sans circuit multiplex, l'ébenisterie vernie noyer ou acajou, etant en supplément.
Prix pour le Tuner FM 62 complet en pièces détachées sans ébénisterie :
- avec multiplex : 187.57 Fr
- sans multiplex : 163.50 Fr
Le coffret complet, verni noyer ou acajou : 39,50 Fr
Le modèle en ordre de marche était vendu en 4 options :
- avec multiplex, sans ébénisterie : 267.16 Fr
- avec multiplex, avec ébénisterie : 306.66 Fr
- sans multiplex, sans ébénisterie : 223.99 Fr
- sans multiplex, avec ébénisterie : 263.49 Fr
- Precio durante el primer año
- 187.57 FRF
- Mencionado en
- Radio Plans (électronique loisirs, Applications) (N° 179 de Septembre 1962, pages 42 à 47.)
- Autor
- Modelo creado por Jean-Pierre Ambroise. Ver en "Modificar Ficha" los participantes posteriores.
- Otros modelos
-
Donde encontrará 136 modelos, 123 con imágenes y 55 con esquemas.
Ir al listado general de Cibot Radio; Paris