- Pays
- Etats-Unis
- Fabricant / Marque
- Collins Radio Company; Cedar Rapids (IA)
- Année
- 1949/1950
- Catégorie
- Émetteur amateur seul
- Radiomuseum.org ID
- 98996
Cliquez sur la vignette du schéma pour le demander en tant que document gratuit.
- No. de tubes
- 14
- Principe général
- Émetteur
- Gammes d'ondes
- OC uniquement
- Tension / type courant
- Alimentation Courant Alternatif (CA) / 110 Volt
- Haut-parleur
- - - Pas de sortie basse fréquence
- Matière
- Boitier métallique
- De Radiomuseum.org
- Modèle: 32V-2 - Collins Radio Company; Cedar
- Forme
- Gros appareil industriel ou militaire (> 20 kg)
- Dimensions (LHP)
- 21.1 x 12.4 x 13.9 inch / 536 x 315 x 353 mm
- Remarques
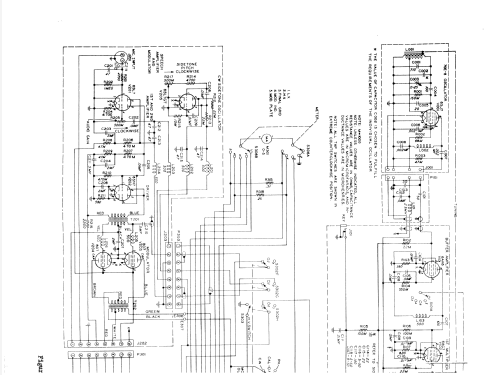
- Collins Transmitter 32V-2: Covers 80, 40, 20, 15, 11 and 10 m HAM bands in AM and CW, CW (A1) 150 W, AM (A3) 120 W PA plate power input.
Comes without rack handles, the later 32V-3 can be identified by rack handles.
Can be muted from Collins 75A series receivers in transceive operation.
- Poids net
- 105 lb (105 lb 0 oz) / 47.670 kg
- Prix de mise sur le marché
- 575.00 $
- Source
- -- Original-techn. papers.
- Auteur
- Modèle crée par Mümin Önüt. Voir les propositions de modification pour les contributeurs supplémentaires.
- D'autres Modèles
-
Vous pourrez trouver sous ce lien 103 modèles d'appareils, 83 avec des images et 35 avec des schémas.
Tous les appareils de Collins Radio Company; Cedar Rapids (IA)