- Fabricant / Marque
- Columbus (Brand); Radio Centre Ltd.; Wellington
- Année
- 1937/1937
- Catégorie
- Radio - ou tuner d'après la guerre 1939-45
- Radiomuseum.org ID
- 163459
Cliquez sur la vignette du schéma pour le demander en tant que document gratuit.
- No. de tubes
- 6
- Principe général
- Super hétérodyne (en général); FI/IF 456 kHz; 2 Etage(s) BF
- Circuits accordés
- 6 Circuits MA (AM)
- Gammes d'ondes
- PO uniquement
- Tension / type courant
- Alimentation Courant Alternatif (CA) / 240 Volt
- Haut-parleur
- HP dynamique à électro-aimant (électrodynamique)
- Matière
- Boitier en bois
- De Radiomuseum.org
- Modèle: 24 - Columbus Brand; Radio Centre
- Forme
- Modèle de table générique
- Remarques
- 
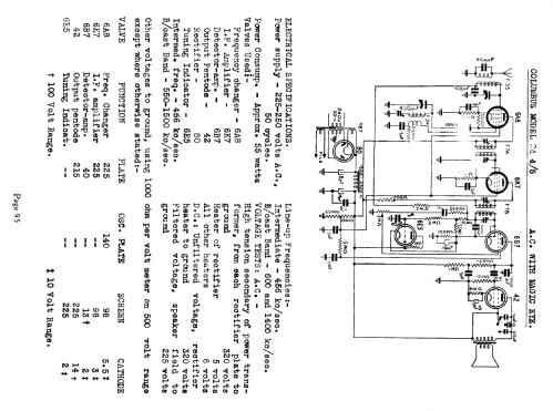
        6-Valve (including magic eye) superhet broadcast (MW) table model receiver. Featured a symmetrical layout with the edge-lit dial on the left and an edge-lit glass plate showing radio stations on the right. Some examples have Australian stations listed suggesting this model may have been exported to Australia. Was available with and without magic eye tuning indicator. See also Courtenay 24, Stella 24, CQ 24, & Pacific 24. Also DW models 25. Manufactured for Columbus Radio Centre Ltd by Radio Corporation of New Zealand Ltd. 
- Source du schéma
- Australian Official Radio Service Manual Vol. I
- Littérature
- The Golden Age of Radio in the Home 1986 (Page 66 (Pacific model))
- Auteur
- Modèle crée par Stuart Irwin. Voir les propositions de modification pour les contributeurs supplémentaires.
- D'autres Modèles
- 
        Vous pourrez trouver sous ce lien 173 modèles d'appareils, 135 avec des images et 161 avec des schémas. 
 Tous les appareils de Columbus (Brand); Radio Centre Ltd.; Wellington
 
                
                
                
               