- Paese
- Svezia
- Produttore / Marca
- Stern & Stern (Concerton / Conserton), S&S; Stockholm
- Anno
- 1939
- Categoria
- Radio (o sintonizzatore del dopoguerra WW2)
- Radiomuseum.org ID
- 135571
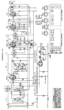
Clicca sulla miniatura dello schema per richiederlo come documento gratuito.
- Numero di tubi
- 5
- Principio generale
- Supereterodina (in generale)
- Gamme d'onda
- Onde medie (OM), lunghe (OL) e corte (OC).
- Tensioni di funzionamento
- Alimentazione universale (doppia: CC/CA) / 110; 124; 137; 150; 160; 220; 240; Volt
- Altoparlante
- AP magnetodinamico (magnete permanente e bobina mobile) / Ø 21.6 cm = 8.5 inch
- Radiomuseum.org
- Modello: U410 - Stern & Stern Concerton /
- Prezzo nel primo anno
- 275.00 SEK
- Bibliografia
- - - Manufacturers Literature (Stern & Stern service data 1939)
- Altri modelli
-
In questo link sono elencati 395 modelli, di cui 228 con immagini e 173 con schemi.
Elenco delle radio e altri apparecchi della Stern & Stern (Concerton / Conserton), S&S; Stockholm