- Paese
- Svezia
- Produttore / Marca
- Stern & Stern (Concerton / Conserton), S&S; Stockholm
- Anno
- 1943
- Categoria
- Radio (o sintonizzatore del dopoguerra WW2)
- Radiomuseum.org ID
- 139907
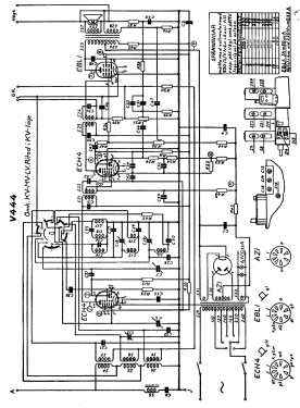
Clicca sulla miniatura dello schema per richiederlo come documento gratuito.
- Numero di tubi
- 4
- Principio generale
- Supereterodina (in generale)
- Gamme d'onda
- Onde medie (OM), lunghe (OL) e corte (OC).
- Tensioni di funzionamento
- Alimentazione a corrente alternata (CA) / 110; 127; 140; 160; 220; 240; Volt
- Altoparlante
- AP magnetodinamico (magnete permanente e bobina mobile)
- Materiali
- Mobile in legno
- Radiomuseum.org
- Modello: V 444 - Stern & Stern Concerton /
- Forma
- Soprammobile con qualsiasi forma (non saputo).
- Dimensioni (LxAxP)
- 435 x 295 x 240 mm / 17.1 x 11.6 x 9.4 inch
- Prezzo nel primo anno
- 360.00 SEK
- Fonte dei dati
- -- Original prospect or advert
- Altri modelli
-
In questo link sono elencati 395 modelli, di cui 228 con immagini e 173 con schemi.
Elenco delle radio e altri apparecchi della Stern & Stern (Concerton / Conserton), S&S; Stockholm