Podhale 6273
Unitra DIORA - Radiowerk Dzierzoniow,
- Country
- Poland
- Manufacturer / Brand
- Unitra DIORA - Radiowerk Dzierzoniow,
- Year
- 1957/1958
- Category
- Broadcast Receiver - or past WW2 Tuner
- Radiomuseum.org ID
- 106696
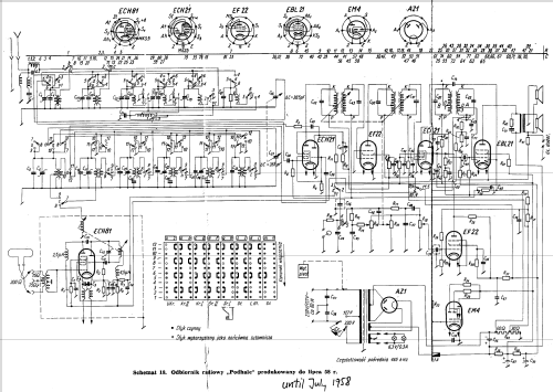
Click on the schematic thumbnail to request the schematic as a free document.
- Number of Tubes
- 8
- Main principle
- Superheterodyne (common); ZF/IF 465 kHz
- Wave bands
- Broadcast, (BC) Long Wave (LW), 2 x SW and FM or UHF.
- Power type and voltage
- Alternating Current supply (AC) / 127/220 Volt
- Loudspeaker
- 2 Loudspeakers / Ø 20 cm = 7.9 inch
- Power out
- 2.5 W (unknown quality)
- Material
- Wooden case
- from Radiomuseum.org
- Model: Podhale 6273 - Unitra DIORA - Radiowerk
- Shape
- Tablemodel, low profile (big size).
- Dimensions (WHD)
- 660 x 306 x 390 mm / 26 x 12 x 15.4 inch
- Notes
- Broadcast band in two subranges. Superregenerativ FM. Precise tuning on SW.
- Net weight (2.2 lb = 1 kg)
- 20 kg / 44 lb 0.8 oz (44.053 lb)
- Price in first year of sale
- 3,200.00 zl
- Source of data
- -- Collector info (Sammler)
- Author
- Model page created by Franz Scharner. See "Data change" for further contributors.
- Other Models
-
Here you find 275 models, 227 with images and 140 with schematics for wireless sets etc. In French: TSF for Télégraphie sans fil.
All listed radios etc. from Unitra DIORA - Radiowerk Dzierzoniow,
Collections
The model Podhale is part of the collections of the following members.