- Produttore / Marca
- DuKane Corporation; St. Charles (IL)
- Anno
- 1952 ?
- Categoria
- Amplificatore audio o mixer audio
- Radiomuseum.org ID
- 146751
Clicca sulla miniatura dello schema per richiederlo come documento gratuito.
- Numero di tubi
- 5
- Principio generale
- Amplificatore audio
- Gamme d'onda
- - senza
- Tensioni di funzionamento
- Alimentazione a corrente alternata (CA) / 60Hz, 117V=110-120 Volt
- Altoparlante
- AP magnetodinamico (magnete permanente e bobina mobile) / Ø 4 inch = 10.2 cm
- Materiali
- Mobile di metallo
- Radiomuseum.org
- Modello: 4A100 - DuKane Corporation; St.
- Forma
- Soprammobile basso, con andamento orizzontale (grosse dimensioni).
- Annotazioni
-
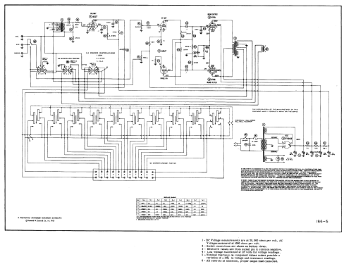
The Dukane Model 4A100 is an AC Operated 5 Tube Intercommunication System Master Unit.
- Letteratura / Schemi (1)
- Photofact Folder, Howard W. SAMS (Date 11-52, Set 186, Folder 5)
- Autore
- Modello inviato da Egon Penker. Utilizzare "Proponi modifica" per inviare ulteriori dati.
- Altri modelli
-
In questo link sono elencati 29 modelli, di cui 27 con immagini e 13 con schemi.
Elenco delle radio e altri apparecchi della DuKane Corporation; St. Charles (IL)