- Country
- Great Britain (UK)
- Manufacturer / Brand
- Ekco, E.K.Cole Ltd.; Southend-on-Sea
- Year
- 1953
- Category
- Broadcast Receiver - or past WW2 Tuner
- Radiomuseum.org ID
- 102534
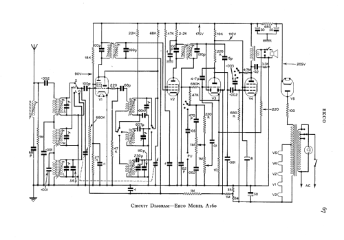
Click on the schematic thumbnail to request the schematic as a free document.
- Number of Tubes
- 5
- Main principle
- Superheterodyne (common); ZF/IF 460 kHz
- Wave bands
- Broadcast, Long Wave and Short Wave.
- Power type and voltage
- Alternating Current supply (AC) / 200-250 Volt
- Loudspeaker
- Permanent Magnet Dynamic (PDyn) Loudspeaker (moving coil) / Ø 8 inch = 20.3 cm
- Material
- Wooden case
- from Radiomuseum.org
- Model: A160 - Ekco, E.K.Cole Ltd.; Southend-
- Shape
- Tablemodel, high profile (upright - NOT Cathedral nor decorative).
- Dimensions (WHD)
- 19 x 16.5 x 10.125 inch / 483 x 419 x 257 mm
- Notes
-
A folder from 9/53 (PR/53-1) shows the following models:
A160, U199, A147, U195, U215, MBP183, ARG210, ARG168 and car radio CR117 for 6 volts and for 12 volts.
- Price in first year of sale
- 26.00 £
- Mentioned in
- -- Original-techn. papers.
- Literature/Schematics (1)
- Trader Service Sheet (suppl. of Wireless & El. Trader, etc.) (1137)
- Author
- Model page created by Peter Hoddow. See "Data change" for further contributors.
- Other Models
-
Here you find 425 models, 314 with images and 256 with schematics for wireless sets etc. In French: TSF for Télégraphie sans fil.
All listed radios etc. from Ekco, E.K.Cole Ltd.; Southend-on-Sea