1085H Ch= 120238-D
Emerson Radio & Phonograph Corp.; New York, NY
- Pays
- Etats-Unis
- Fabricant / Marque
- Emerson Radio & Phonograph Corp.; New York, NY
- Année
- 1956 ?
- Catégorie
- Récepteur de télévision ou moniteur
- Radiomuseum.org ID
- 114811
-
- alternative name: Emerson Television
Cliquez sur la vignette du schéma pour le demander en tant que document gratuit.
- No. de tubes
- 21
- Lampes / Tubes
- 6T4 6BZ7 6U8 6CB6 6CB6 6CB6 6AL5 6CB6 6AU6 6AL5 12AX7 6V6GT 12AU7 6K6GT 6SN7GT 6BQ6GTA 6AX4GT 1B3GT 5U4G 5U4G 17LP4
- Principe général
- Super hétérodyne avec étage HF
- Gammes d'ondes
- Bandes en notes
- Tension / type courant
- Alimentation Courant Alternatif (CA) / 60 Hz, 117V = 110 -120 Volt
- Haut-parleur
- HP dynamique à aimant permanent + bobine mobile / Ø 6 inch = 15.2 cm
- De Radiomuseum.org
- Modèle: 1085H Ch= 120238-D - Emerson Radio & Phonograph
- Remarques
-
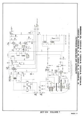
Emerson model 1085H is a 21” b/w TV with US standard VHF tuner channels 2 thru
13, and 14 thru 83 UHF. Equipped with chassis 120238-D, VHF- UHF tuner 470774 and picture tube 17LP4.
- Schémathèque (1)
- Photofact Folder, Howard W. SAMS (Set 304 Folder 7 dated 1-56)
- Auteur
- Modèle crée par Peter Hoddow. Voir les propositions de modification pour les contributeurs supplémentaires.
- D'autres Modèles
-
Vous pourrez trouver sous ce lien 2099 modèles d'appareils, 1153 avec des images et 1657 avec des schémas.
Tous les appareils de Emerson Radio & Phonograph Corp.; New York, NY